GM Service Manual Online
For 1990-2009 cars only
Makes
🢒
Cadillac
🢒
1998
🢒
Seville
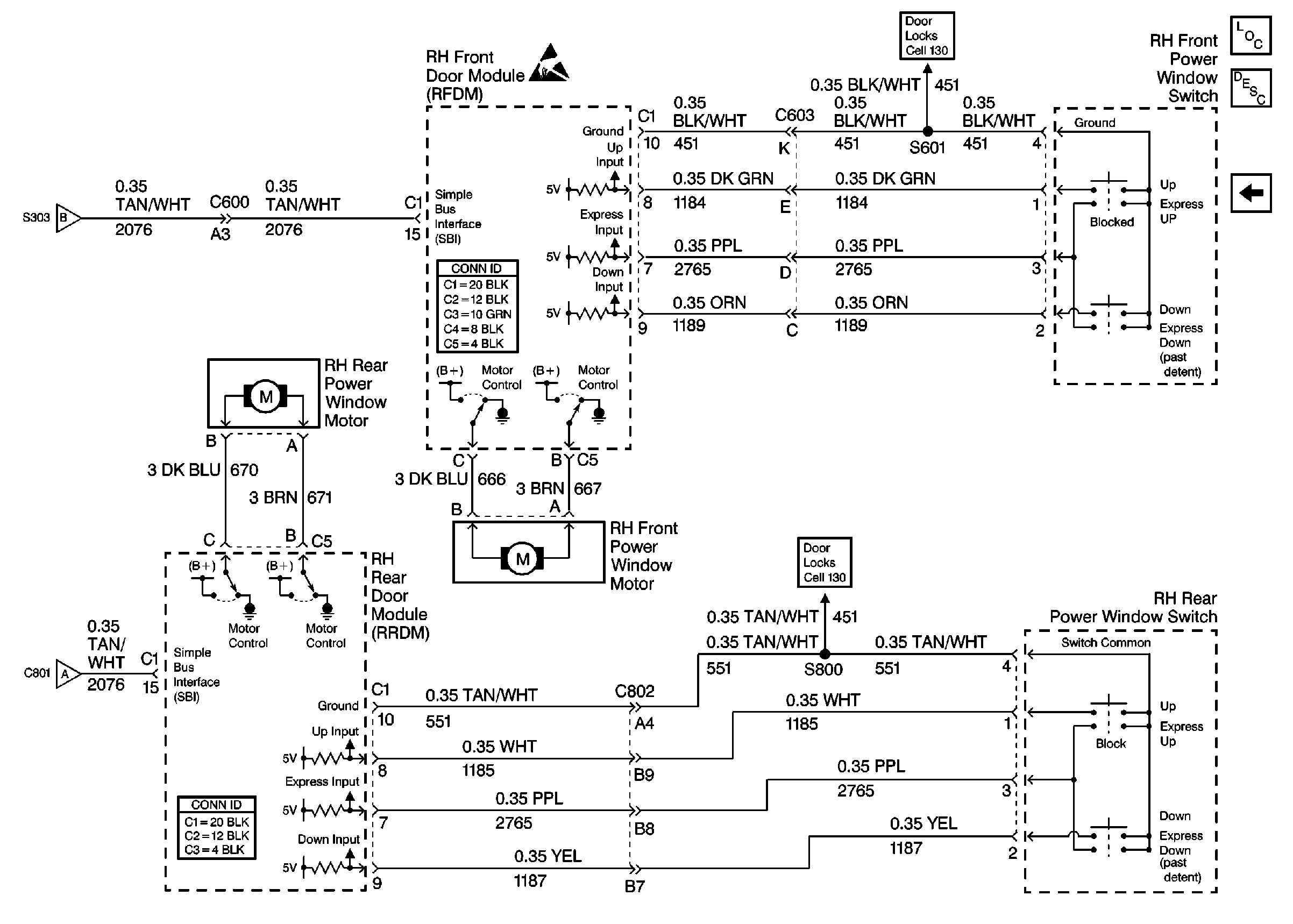
🢒 Cell 120 - RH Power Window
Cell 120 - RH Power Window
Cell 120 -- RH Power Window
Power Door Systems Components
Power Windows Circuit Description
Cell 120 - LH Power Windows
Cell 130 - RH Power Door Lock
Power Door Systems Connector End Views
Cell 120 - LH Power Windows
Cell 120 - LH Power Windows
Power Door Systems Connector End Views
Handling ESD Sensitive Parts Notice
Cell 130 - RH Power Door Lock