GM Service Manual Online
For 1990-2009 cars only
Makes
🢒
Cadillac
🢒
1998
🢒
Seville
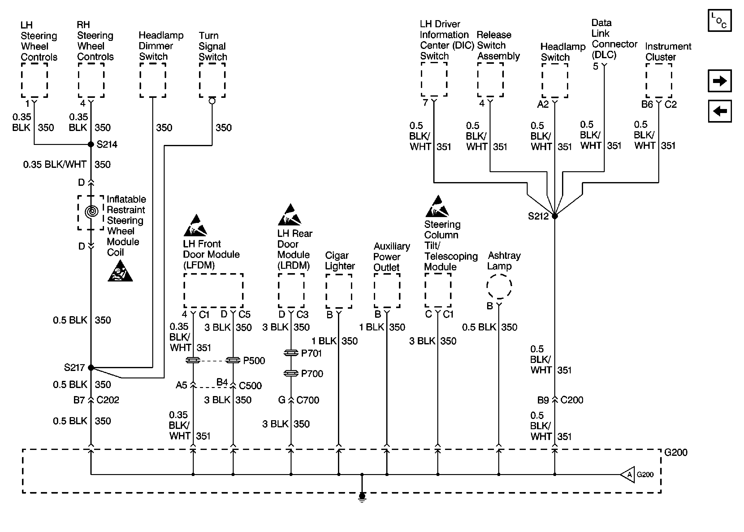
🢒 Cell 14: G200 (1 of 2)
Cell 14: G200 (1 of 2)
Cell 14: G200 (1 of 2)
Power and Grounding Components
Cell 14: G200 (2 of 2)
Cell 14: G104