GM Service Manual Online
For 1990-2009 cars only
Makes
🢒
Cadillac
🢒
1998
🢒
Seville
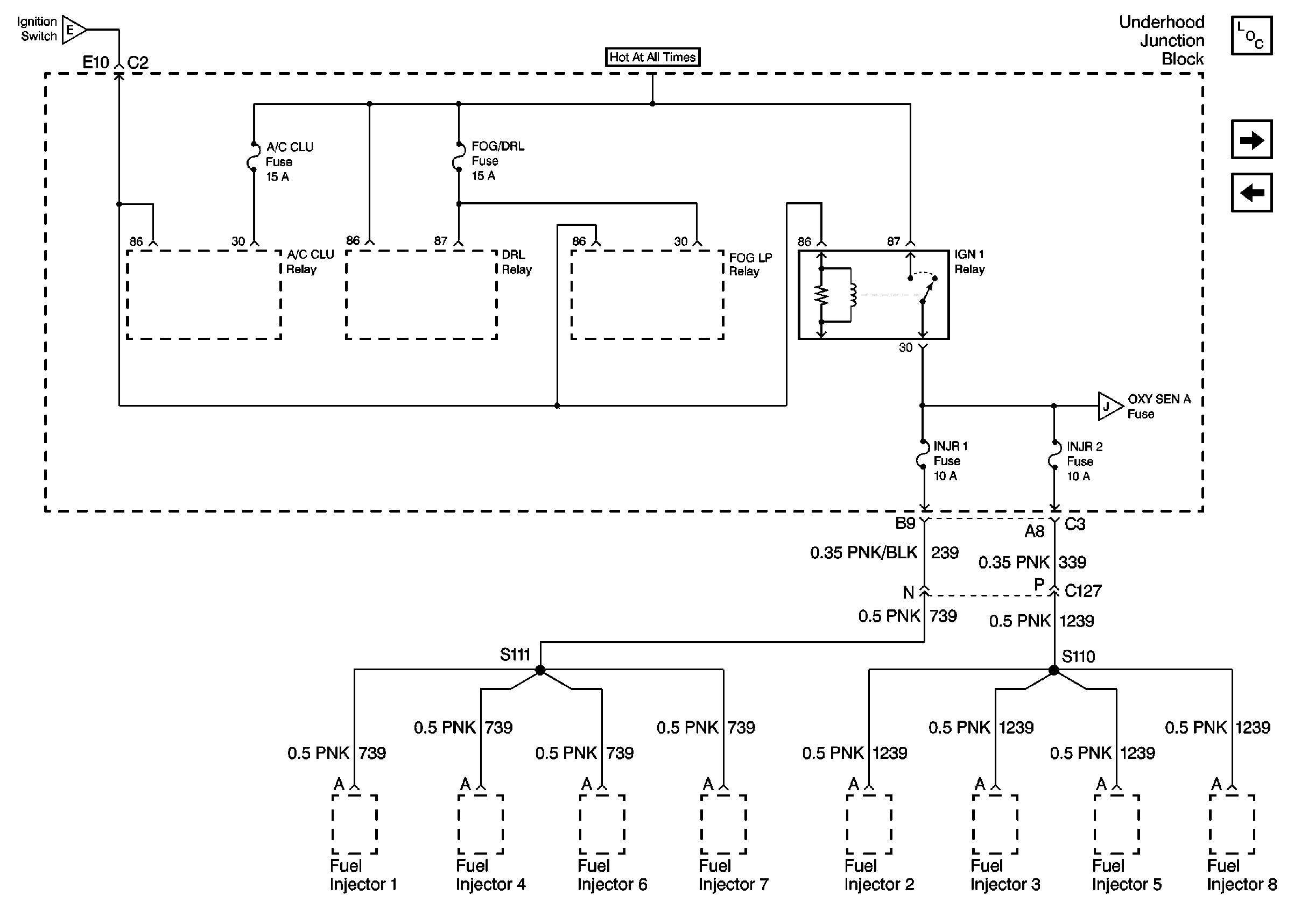
🢒 Cell 10: A/C CLU, FOG/DRL, INJR1, and INJR2 Fuses
Cell 10: A/C CLU, FOG/DRL, INJR1, and INJR2 Fuses
Cell 10: A/C CLU, FOG/DRL, INJR1, and INJR2 Fuses
Power and Grounding Components
Cell 10: OXYSENA, OXYSENB, DIS, and CRCONT Fuses
Cell 10: RR BLO, RR DEFOG, PRK BRK, and ELC Fuses