GM Service Manual Online
For 1990-2009 cars only
Makes
🢒
Cadillac
🢒
1998
🢒
Seville
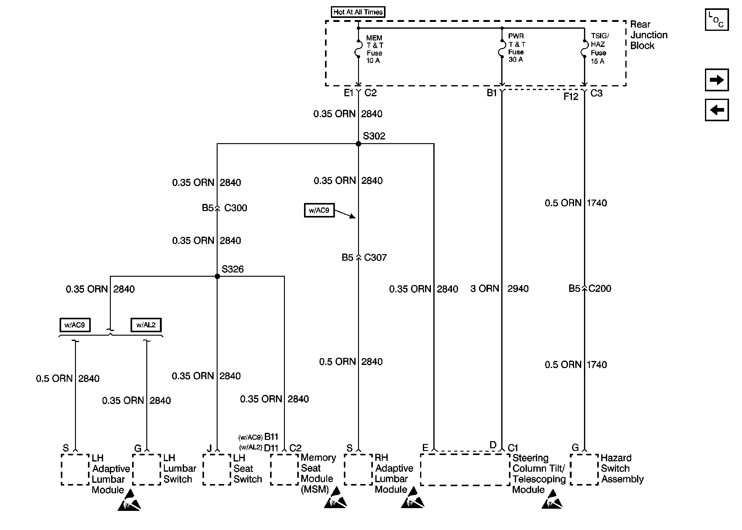
🢒 Cell 10: MEM T/T, PWWR T/T, and TSIG/HAZ Fuses
Cell 10: MEM T/T, PWWR T/T, and TSIG/HAZ Fuses
Cell 10: MEM T/T, PWWR T/T, and TSIG/HAZ Fuses
Power and Grounding Components
Cell 10: RAP and EXPORT LGT Fuses
Cell 10: AUX PWR, C/LTR, STOP LP, CIGAR, and HVAC BLO Fuses