GM Service Manual Online
For 1990-2009 cars only
Makes
🢒
Cadillac
🢒
1998
🢒
Seville
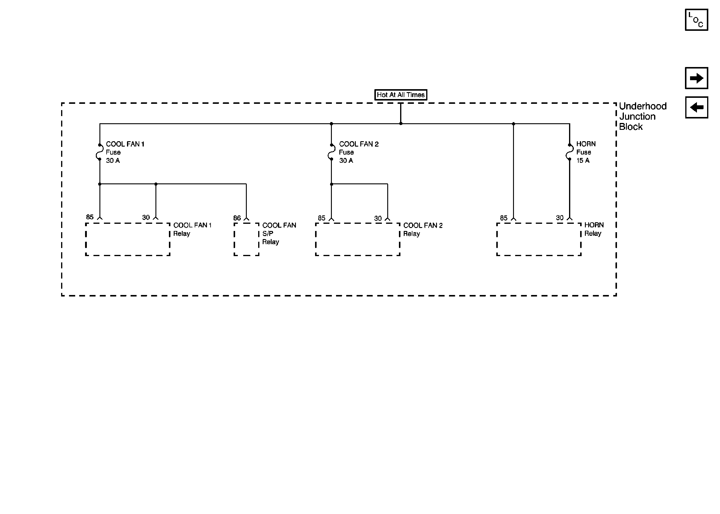
🢒 Cell 10: COOL FAN 1, COOL FAN 2, and HORN Fuses
Cell 10: COOL FAN 1, COOL FAN 2, and HORN Fuses
Cell 10: COOL FAN 1, COOL FAN 2, and HORN Fuses
Power and Grounding Components
Cell 10: IGN 1, and PCM IGN Fuses
Cell 10: PCM BATT, EXPORT BRK, IP, ABS SOL, and ABS MOT Fuses