GM Service Manual Online
For 1990-2009 cars only
Makes
🢒
Cadillac
🢒
1998
🢒
Seville
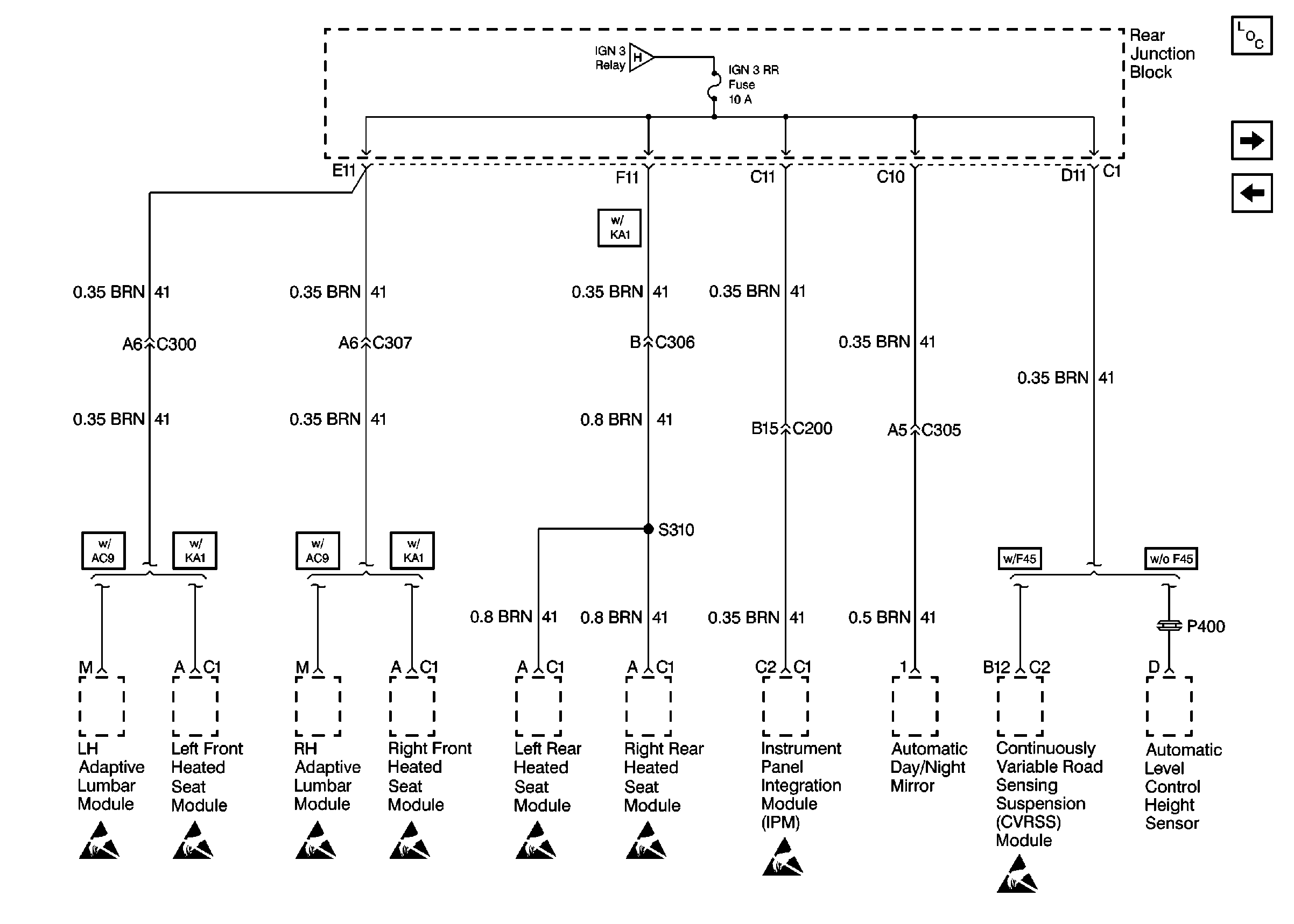
🢒 Cell 10: IGN 3 RR Fuse
Cell 10: IGN 3 RR Fuse
Cell 10: IGN 3 RR Fuse
Power and Grounding Components
Cell 10: RR BLO, RR DEFOG, PRK BRK, and ELC Fuses
Cell 10: IGN 3 Relay and HVAC, ABS Fuses