GM Service Manual Online
For 1990-2009 cars only
Makes
🢒
Cadillac
🢒
1998
🢒
Seville
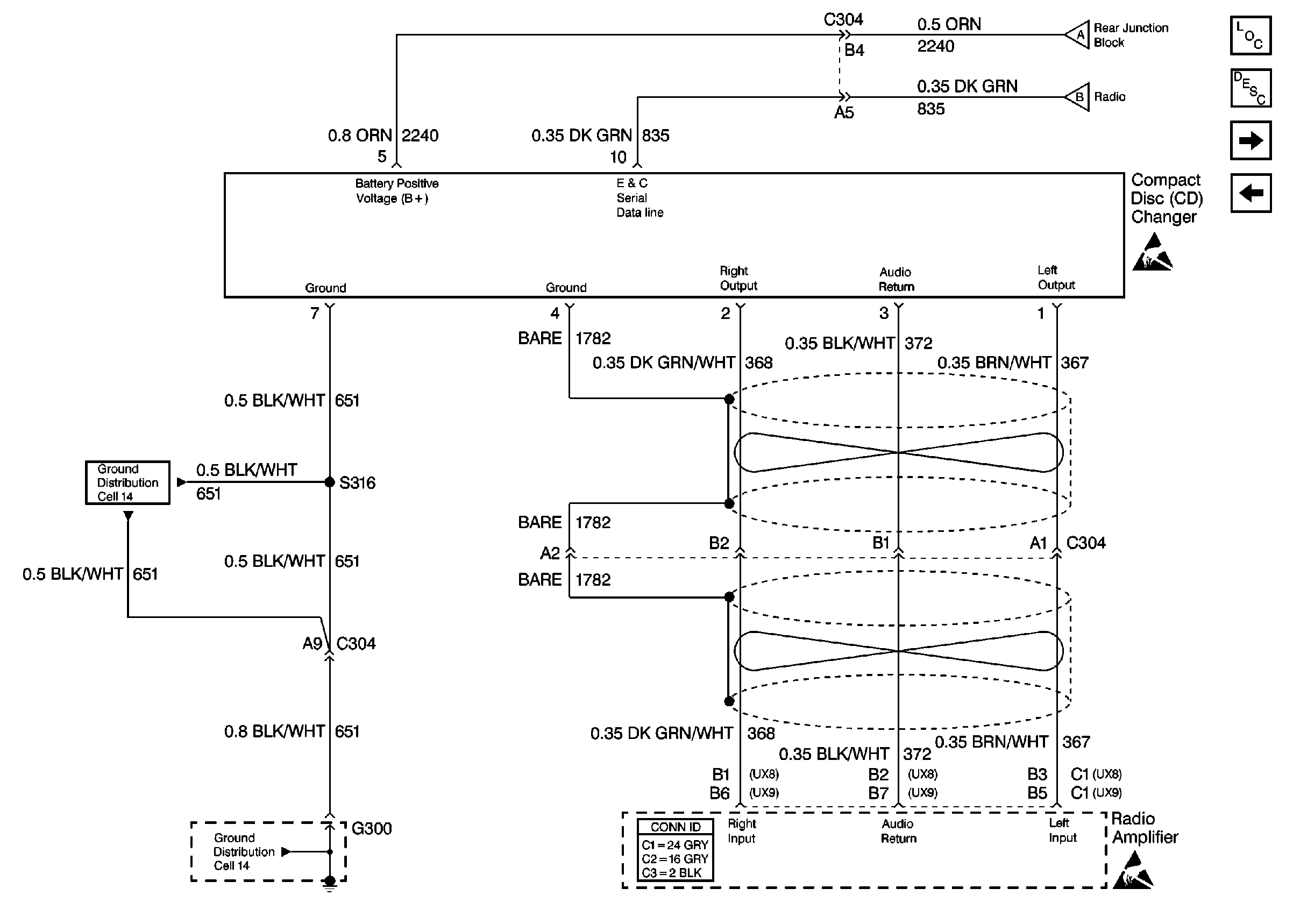
🢒 Cell 150: Compact Disk Changer
Cell 150: Compact Disk Changer
Cell 150: Compact Disk Changer
Entertainment Components
Radio/Audio System Circuit Description
Cell 150: Amplifier
Cell 150: Power and Ground
Cell 150: Power and Ground
Cell 150: Power and Ground
Handling ESD Sensitive Parts Notice
Ground Distribution Schematics
Ground Distribution Schematics
Handling ESD Sensitive Parts Notice