GM Service Manual Online
For 1990-2009 cars only
Makes
🢒
Cadillac
🢒
1998
🢒
Seville
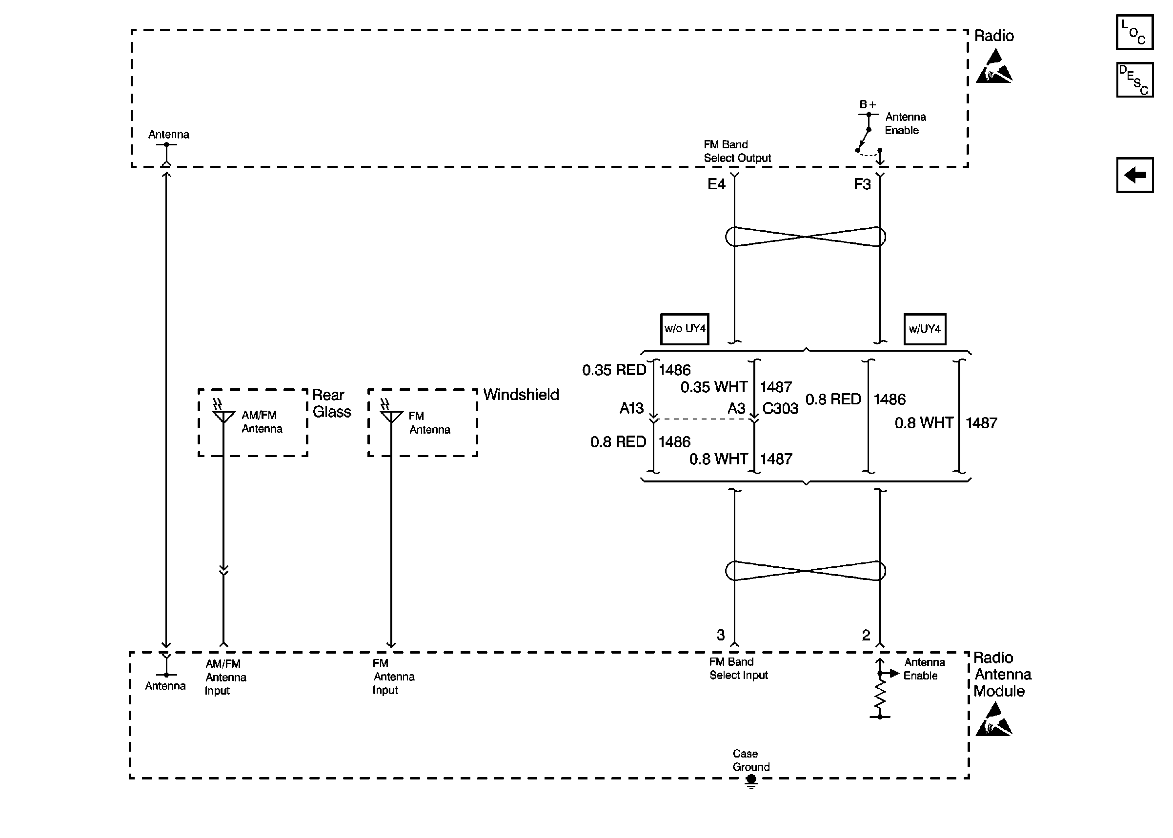
🢒 Cell 150: Antenna
Cell 150: Antenna
Cell 150: Antenna
Entertainment Components
Radio/Audio System Circuit Description
Cell 150: Amplifier - Speakers
Handling ESD Sensitive Parts Notice
Handling ESD Sensitive Parts Notice