GM Service Manual Online
For 1990-2009 cars only
Makes
🢒
Cadillac
🢒
1998
🢒
Seville
🢒 Cell 85: Antennas
Cell 85: Antennas
Cell 85: Antennas
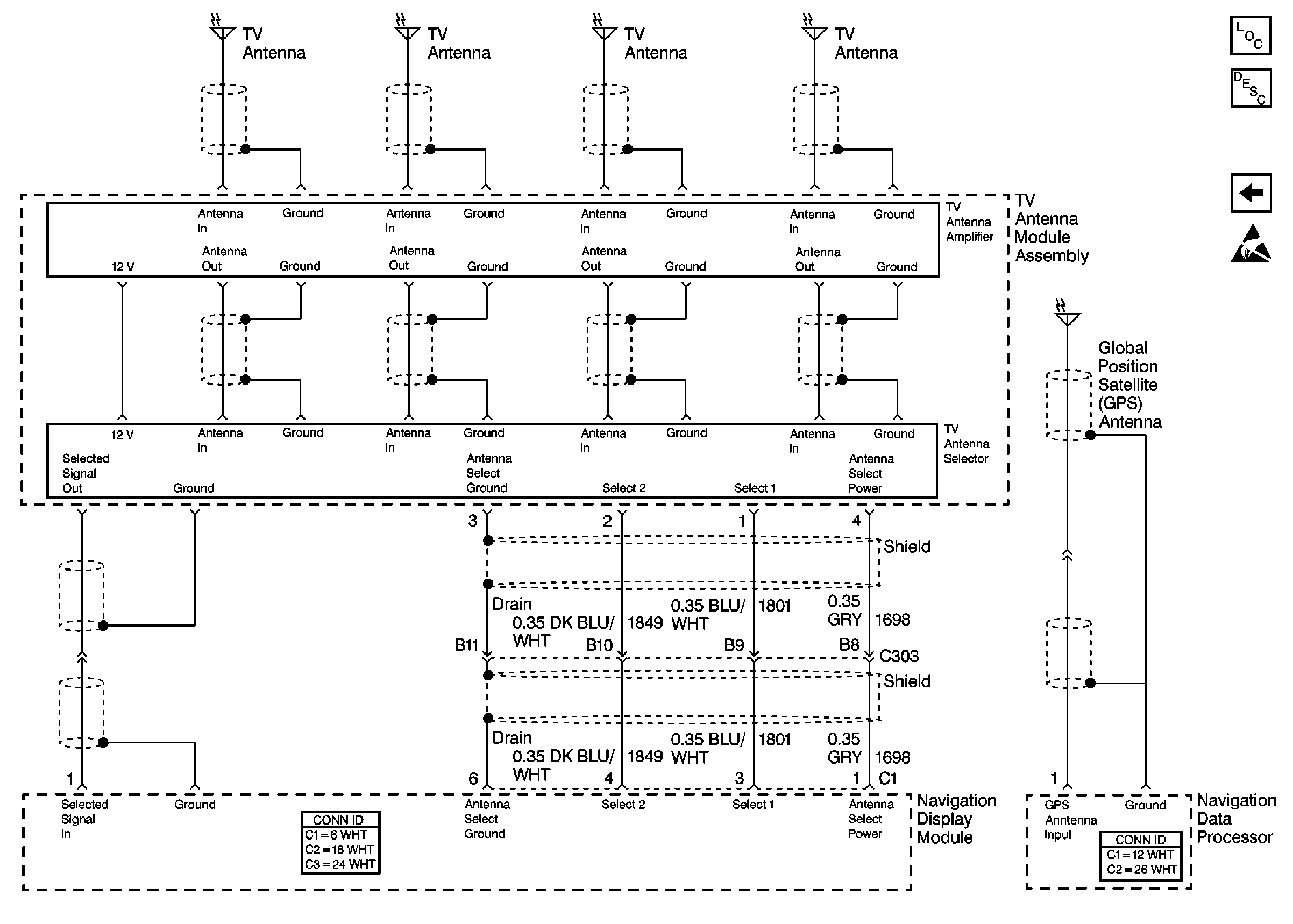
Navigation System Components 98
Cell 85: Video and Radio Communication
Handling ESD Sensitive Parts Notice
Navigation System Connector End Views
Navigation System Connector End Views