GM Service Manual Online
For 1990-2009 cars only
Makes
🢒
Cadillac
🢒
1998
🢒
Seville
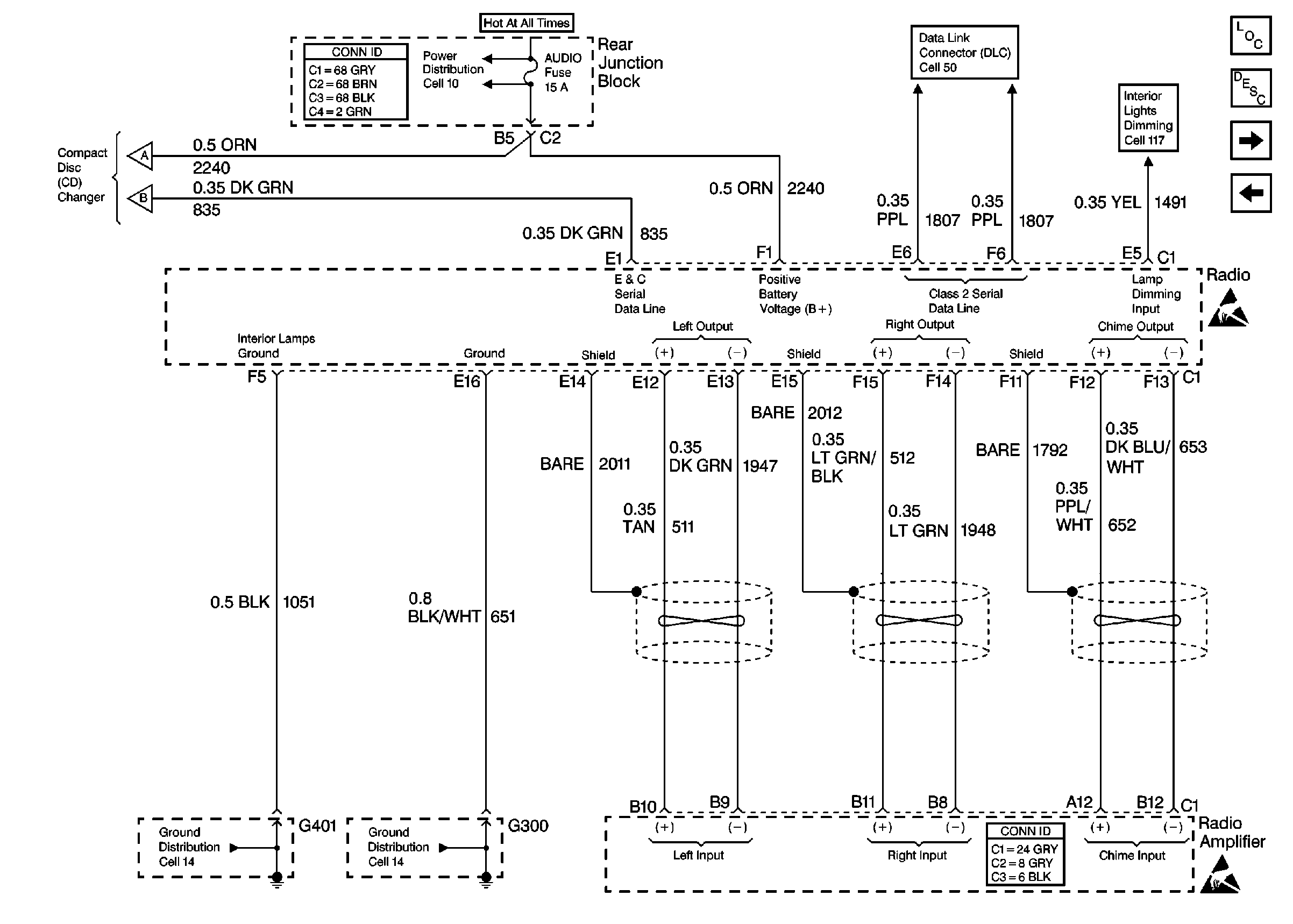
🢒 Cell 150: Power and Ground - Navigation Radio UY9
Cell 150: Power and Ground - Navigation Radio UY9
Cell 150: Power and Ground -- Navigation Radio UY9
Entertainment Components
Radio/Audio System Circuit Description
Cell 150: Compact Disk Changer - Navigation Radio UY9
Cell 150: Compact Disc Changer
Power Distribution Schematics
Data Link Connector Schematics
Interior Lights Dimming Schematics
Handling ESD Sensitive Parts Notice
Handling ESD Sensitive Parts Notice
Cell 150: Compact Disk Changer - Navigation Radio UY9
Cell 150: Compact Disk Changer - Navigation Radio UY9
Ground Distribution Schematics
Ground Distribution Schematics