GM Service Manual Online
For 1990-2009 cars only
Makes
🢒
Cadillac
🢒
1998
🢒
Seville
🢒 Cell 10: Battery - Underhood Fuse(Junction) Block
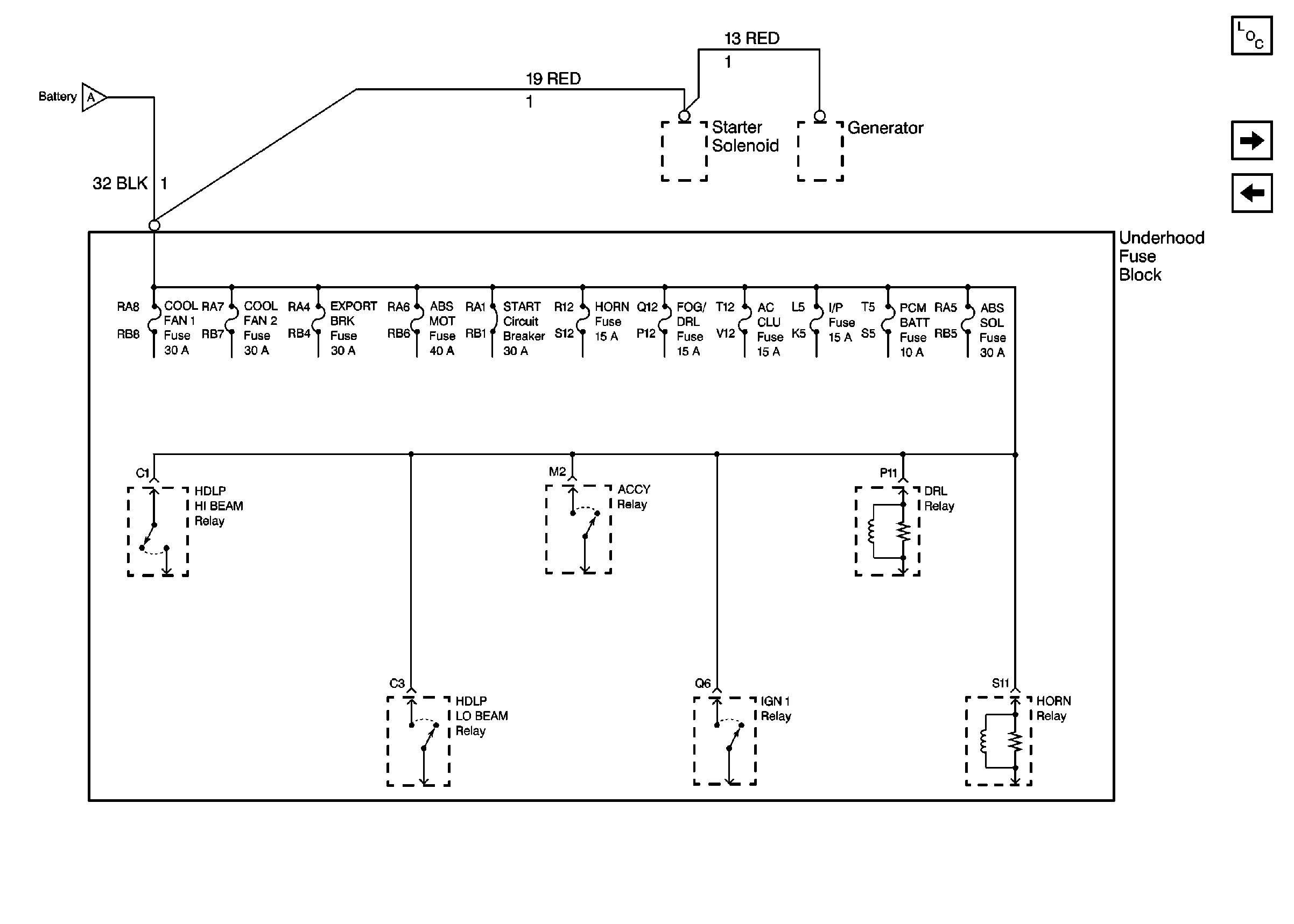
Cell 10: Battery - Underhood Fuse(Junction) Block
Cell 10: Battery -- Underhood Fuse(Junction) Block
Cell 10: Battery - Rear Fuse(Junction) Block
Cell 10: INT LP Fuse and Relay
Power and Grounding Components
Cell 10: Battery - Rear Fuse(Junction) Block