GM Service Manual Online
For 1990-2009 cars only

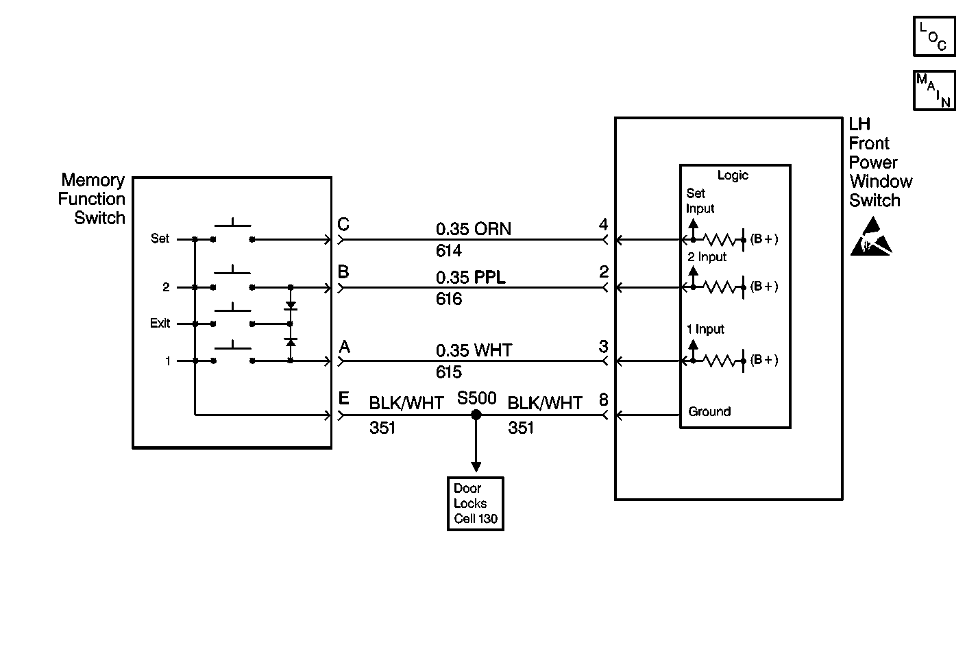
Object Number: 141872  Size: MF
Power Door Systems Component Views
Cell 147 - LH Front Power Window Switch
Handling ESD Sensitive Parts Notice
Cell 130 - LH Power Door Locks

Circuit Description

The LH Front Power Window Switch receives an input from the memory function switch memory exit switch through a simultaneous memory 1 and memory 2 input when the button is pressed. The LH Front Power Window Switch recognizes the input and sends a message on the Simple Bus Interface (SBI) to the LH Front Door Module (LFDM) indicating that the memory exit button has been pressed. The LFDM then sends a message via the Class 2 Serial Data Line to the Memory Seat Module (MSM), the Steering Column Tilt/Telescoping Module (TTM), and the Radio (IRC) indicating that the memory exit button has been pressed.

Conditions for Setting the DTC

    •  When the memory exit switch is active for 30 seconds continuously, the switch will be considered shorted and the DTC will set.
    • DTC B2242 will set only if DTC B1982 DDM or DTC B1983 DDM is not current.

Action Taken When the DTC Sets

    • The LFDM will no longer respond to memory exit switch inputs.
    • Because the memory exit button is an input on the memory 1 and memory 2 inputs to the LFDM, the memory 1 and memory 2 functions will no longer operate.
    • The LFDM will continue to respond to valid inputs from the other memory function switches.

Conditions for Clearing the DTC

    • The LFDM sees that the memory exit switch is no longer active.
    • Use the On-Boards clearing DTCs feature.
    • Use a scan tool.

Test Description

The numbers below refer to the step numbers on the diagnostic table:

  1. Perform the Power Door Diagnostic System Check System Check before continuing with the diagnosis of this DTC.

  2. Clear all DTCs and cycle ignition to check that the DTC did not falsely set.

  3. Clear all DTCs after the repair procedure is complete.

DTC B2242 DDM -- Memory Exit Switch Failed

Step

Action

Value(s)

Yes

No

1

Was the Door Systems Diagnostic System Check performed?

--

Go to Step 2

Go to Diagnostic System Check - Power Door Systems

2

  1. Turn ON the ignition switch.
  2. Connect a scan tool to the data link connector (DLC).
  3. Clear any DTCs. Refer to Diagnostic Trouble Code (DTC) Clearing .
  4. Turn OFF the ignition switch.
  5. Turn ON the ignition switch.

After the 30 seconds, does the DTC reset?

--

Go to Step 3

Go to Diagnostic System Check - Power Door Systems

3

Replace the memory function switch. Refer to Front Door Switch Replacement .

Did you complete the replacement?

--

Go to Step 4

--

4

  1. Turn OFF the ignition switch.
  2. Reconnect or install any connectors or components that were disconnected or removed.
  3. Turn ON the ignition switch.
  4. Clear any DTCs. Refer to Diagnostic Trouble Code (DTC) Clearing .

Are all DTCs cleared?

--

Go to Diagnostic System Check - Power Door Systems

--