GM Service Manual Online
For 1990-2009 cars only

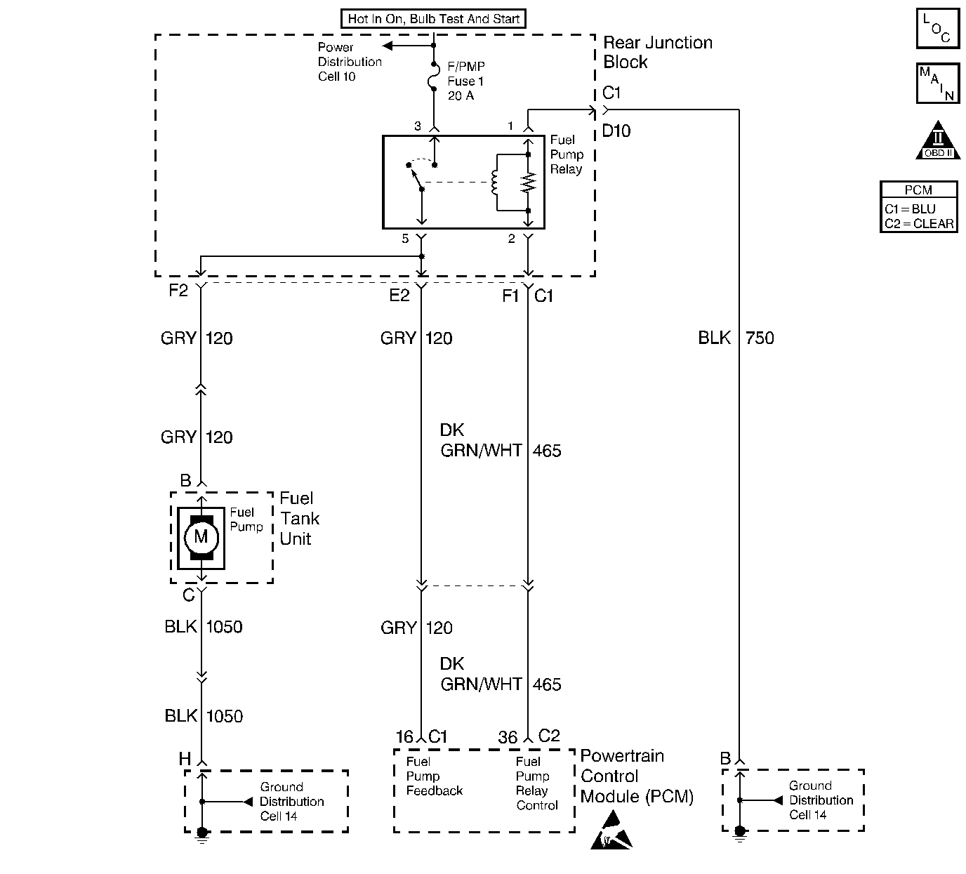
Object Number: 155138  Size: LF
Engine Controls Components
Cell 20: Fuel Pump and Oil Pressure Switch
OBD II Symbol Description Notice
ESD Notice

Circuit Description

The fuel pump receives power from CKT 120 through the fuel pump relay. The PCM energizes the fuel pump relay for 2 seconds at key ON to provide fuel pressure for starting. After the 2 second fuel pump prime, the PCM will not power the fuel pump relay until 4X reference pulses are received indicating that the engine is turning (crank or run). The PCM monitors voltage on the fuel pump power CKT 120 to detect fuel pump voltage supply faults. DTC P0231 is set when the PCM sees the fuel pump not energized (2 volts or less on the feedback) with the engine cranking or running.

Conditions for Running the DTC

Engine speed 24 RPM or greater.

Conditions for Setting the DTC

Fuel pump feedback 2 volts or less for 1.3 seconds.

Action Taken When the DTC Sets

    •  The Malfunction Indicator Lamp (MIL) will not illuminate.
    •  The PCM will command a message to be displayed.
    •  The PCM may record operating conditions at the time the diagnostic fails. This information will be stored in the Failure Records.

Conditions for Clearing the Message/DTC

    •  The PCM will turn the message OFF after one run and pass of the diagnostic test.
    •  A History DTC will clear after forty consecutive warm-up cycles with no failures of any non-emission related diagnostic test.
    •  A Last Test Failed (current) DTC will clear when the diagnostic runs and does not fail.
    • Use a scan tool to clear DTCs.
    • Interrupting PCM battery voltage may or may not clear DTCs. This practice is not recommended. Refer to Clearing Diagnostic Trouble Codes in PCM Description and Operation.

Diagnostic Aids

If this DTC set without a driveability complaint look for an open between splice and PCM or poor PCM terminal contact. If a complaint did exist look for poor relay contact, relay ground, etc.

Step

Action

Value(s)

Yes

No

1

Did you perform the Powertrain On-Board Diagnostic (OBD) System Check?

--

Go to Step 2

Go to Powertrain On Board Diagnostic (OBD) System Check

2

  1. Engine OFF.
  2. Turn the key ON.
  3. After 5 seconds crank and attempt to start engine.

Does engine start and run?

--

Go to Step 3

Go to Step 7

3

On scan tool view the DTC status condition.

Has this DTC failed this ignition cycle?

--

Go to Step 4

Fault not present. Refer to Diagnostic Aids

4

With engine still running in view FP. Volt Feedback.

Is the voltage more than the value specified?

2 volts

Go to Step 25

Go to Step 5

5

  1. Record the fluid life indexes, turn the key to LOCK and wait 30 seconds.
  2. Remove the fuel pump relay.
  3. Disconnect PCM connector C1.
  4. Using DMM J 39200 measure the resistance between fuel pump relay cavity 87 and PCM connector C1 terminal 16.

Is the resistance the same or less than the value specified?

5 ohms

Go to Step 25

Go to Step 6

6

Repair open in the Fuel Pump Feedback circuit between the PCM and the the Fuel Pump Feedback circuit splice or poor terminal contact at PCM connector C1 terminal 16.

Is the repair complete?

--

Go to Powertrain Control Module Diagnosis for Verify Repair

--

7

Check the condition of the Fuel Pump fuse.

Is the fuse OK?

--

Go to Step 8

Go to Step 18

8

  1. Remove the fuel pump relay.
  2. Turn the key ON.
  3. Using DMM J 39200 measure the voltage to ground at relay cavity 3.

Is the voltage in the range specified?

10.5 - 15 volts

Go to Step 9

Go to Step 23

9

Measure the voltage between fuel pump relay cavities 3 and 1.

Is the voltage in the range specified?

10.5 - 15 volts

Go to Step 10

Go to Step 24

10

Connect a jumper between fuel pump relay cavities 3 and 5.

Does the fuel pump run or engine start?

--

Go to Step 11

Go to Step 15

11

  1. Turn the key to LOCK.
  2. Connect the DMM between fuel pump relay cavities 1 and 2.
  3. Wait 10 seconds then turn the key ON and measure the voltage within 2 seconds of key ON.

Was the voltage in the range specified?

10.5 - 15 volts

Go to Step 12

Go to Step 13

12

Replace the fuel pump relay.

Is the repair complete?

--

Go to Powertrain Control Module Diagnosis for Verify Repair

--

13

  1. Record the fluid life indexes, turn the key to LOCK and wait 30 seconds.
  2. Disconnect PCM connector C2.
  3. Measure the resistance between PCM connector C2 terminal 36 and fuel pump relay cavity 2.

Is the resistance the same or less than the value specified?

5 ohms

Go to Step 25

Go to Step 14

14

Repair open in the Fuel Pump Relay Control circuit between the PCM and fuel pump relay.

Is the repair complete?

--

Go to Powertrain Control Module Diagnosis for Verify Repair

--

15

View FP. Volt Feedback on scan tool.

Is the voltage the same or more than the value specified?

10 volts

Go to Step 16

Go to Step 17

16

  1. Check for an open in the Fuel Pump Feedback circuit between fuel pump and the the Fuel Pump Feedback circuit splice.
  2. Repair circuit if needed.

Was a repair made to the Fuel Pump Feedback circuit?

--

Go to Powertrain Control Module Diagnosis for Verify Repair

Go to Step 22

17

Repair open in the Fuel Pump Feedback circuit between fuel pump relay and splice.

Is the repair complete?

--

Go to Powertrain Control Module Diagnosis for Verify Repair

--

18

  1. Turn the key to LOCK.
  2. Remove the fuel pump relay.
  3. Using DMM J 39200 measure the resistance to ground at relay cavity 3.

Is the resistance more than the value specified?

2 ohms

Go to Step 20

Go to Step 19

19

Repair short to ground in Fuel Pump Relay ignition feed circuit between the fuel pump fuse and relay.

Is the repair complete?

--

Go to Powertrain Control Module Diagnosis for Verify Repair

--

20

  1. Record the fluid life indexes, turn the key to LOCK and wait 30 seconds.
  2. Disconnect PCM connector C1.
  3. Disconnect fuel pump connector.
  4. Measure the resistance to ground at fuel pump relay cavity 5.

Is the resistance more than the value specified?

2 ohms

Go to Step 22

Go to Step 21

21

Repair short to ground in the Fuel Pump Feedback circuit between the PCM connector C1, the fuel pump connector, the fuel pump relay or a shorted fuel pump.

Is the repair complete?

--

Go to Powertrain Control Module Diagnosis for Verify Repair

--

22

Check fuel pump ground. Repair if needed.

Was a repair made to the fuel pump ground circuit?

--

Go to Powertrain Control Module Diagnosis for Verify Repair

Go to Fuel Pressure Check

23

Repair open in Fuel Pump Relay ignition feed circuit between the fuse and relay or repair the loss of voltage to the fuse. Refer to Electrical Diagnosis for repair of the voltage supply to the fuse.

Is the repair complete?

--

Go to Powertrain Control Module Diagnosis for Verify Repair

--

24

Repair open in Fuel Pump Relay ground circuit or poor ground.

Is the repair complete?

--

Go to Powertrain Control Module Diagnosis for Verify Repair

--

25

  1. Check terminal contact at the PCM connector C1 terminal 16 and connector C2 terminal 36.
  2. Repair terminal contact if needed.

Was terminal contact repaired?

--

Go to Powertrain Control Module Diagnosis for Verify Repair

Go to Step 26

26

Replace the PCM. Refer to Powertrain Control Module Replacement .

Is the replacement complete?

--

Go to Powertrain Control Module Diagnosis for Verify Repair

--