GM Service Manual Online
For 1990-2009 cars only

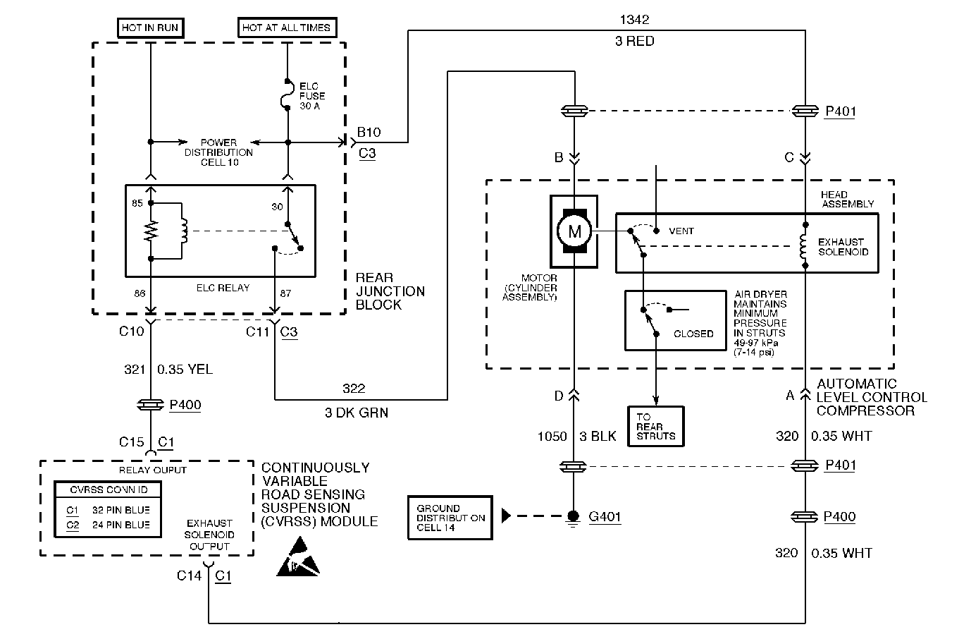
Circuit Description


Object Number: 305452  Size: LF

The compressor is switched ON and OFF via an ELC compressor relay which is controlled by the CVRSS module. The control module circuitry provides a switched path to ground (low-side drive) whenever compressor activity is required. This drive circuit is also continually monitored to determine if the voltage level agrees with the commanded state.

Conditions for Setting the DTC

The DTC is set when the CVRSS module sees a low voltage condition at pin C15 during a compressor OFF-state.

The DTC will turn HISTORY when the CVRSS module no longer senses a low voltage condition at pin C15 while the ELC compressor relay output drive is in an OFF-state.

Action Taken When the DTC Sets

The ELC compressor relay output drive is disabled for the remainder of the ignition cycle.

Conditions for Clearing the MIL/DTC

    • Use the scan tool.
    • Refer to the CLEAR RSS CODES feature.

Diagnostic Aids

This fault condition is detectable only when the ELC compressor relay output is commanded to the OFF state, which occurs whenever compressor activity is not required. The control module expects to see a high voltage condition during the OFF-state.

Only electrical problems with the ELC compressor relay coil circuit are flagged. Compressor motor problems and pneumatic leakage problems do not set a DTC, but the CVRSS module shuts the ELC compressor relay off if there is no progress, or if excessive run times occur. Recovery is not attempted until the ignition is cycled OFF and ON.

Test Description

Important: 

   • Do not backprobe the sensors, actuators, or any sealed connectors.
   • When all the diagnostics and repairs are complete, clear the DTCs and verify the operation.

The number(s) below refer to the step number(s) on the diagnostic table.

  1. This step checks to see if the ignition fuse to the relay is blown.

  2. This step checks to see if ignition voltage is present and checks for an internal open circuit condition in the relay coil.

  3. This step checks for an open circuit condition or short circuit to ground condition in circuit 321.

  4. This step checks for an open circuit condition in the juction block.

Step

Action

Value(s)

Yes

No

1

Was the Road Sensing Suspension Diagnostic System Check performed?

--

Go to Step 2

Go to Road Sensing Suspension Diagnostic System Check

2

  1. Disconnect CVRSS control module connector C1.
  2. Turn the ignition ON with the engine off.
  3. Measure the voltage at CVRSS module connector C1, terminal C15, with a J 39200 DMM.

Is the voltage above the specified value?

10 V

Go to Step 10

Go to Step 3

3

  1. Remove the ELC relay from the Rear Junction Block and install a known good relay.
  2. Turn the ignition ON with the engine off.
  3. Measure the voltage at CVRSS module connector C1, terminal C15, with a DMM.

Is the voltage above the specified value?

10 V

Go to Step 8

Go to Step 4

4

  1. Turn the ignition OFF.
  2. Disconnect the Rear Junction Block connector C3.
  3. Measure the resistance from CVRSS module connector C1, terminal C15, to ground with a DMM.

Is the resistance the specified value?

OL

Go to Step 5

Go to Step 6

5

Measure the resistance between CVRSS module connector C1, terminal C15, and Rear Junction Block connector C3, terminal C10.

Is the resistance equal to or below the specified value?

5 ohms

Go to Step 9

Go to Step 7

6

Repair the short circuit to ground in CKT 321.

Is the repair complete?

--

Go to Road Sensing Suspension Diagnostic System Check

--

7

Repair the open circuit condition in circuit 321.

Is the repair complete?

--

Go to Road Sensing Suspension Diagnostic System Check

--

8

Replace the ELC relay.

Is the replacement complete?

--

Go to Road Sensing Suspension Diagnostic System Check

--

9

Replace the Rear Junction Block.

Is the replacement complete?

--

Go to Road Sensing Suspension Diagnostic System Check

--

10

  1. Check all of the connections on circuit 321 for debris, corrosion, and/or intermittent open circuit conditions.
  2. Check circuit 321 for an intermittent short circuit to ground condition.
  3. Refer to Intermittents and Poor Connections .

  4. Install all of the connectors and/or the components that where removed.
  5. Turn the ignition ON with the engine off.
  6. Clear the CVRSS DTCs. Refer to Clearing DTCs .
  7. Wait 60 seconds.
  8. Check the CVRSS DTCs. Refer to Displaying Diagnostic Trouble Codes (DTC) .

Is DTC C1736 set?

--

Go to Step 11

Go to Road Sensing Suspension Diagnostic System Check

11

  1. Turn the ignition OFF.
  2. Replace the CVRSS control module. Refer to Electronic Suspension Control Module Replacement .
  3. Install all of the connectors and components that were removed.
  4. Install the scan tool.
  5. Turn the ignition ON with the engine off.
  6. Important: The controller must be calibrated.

  7. Calibrate the CVRSS service controller using the scan tool. Refer to Electronic Suspension Control Module Calibration .

Is the CVRSS control module calibrated?

--

Go to Road Sensing Suspension Diagnostic System Check

--