GM Service Manual Online
For 1990-2009 cars only

Go to

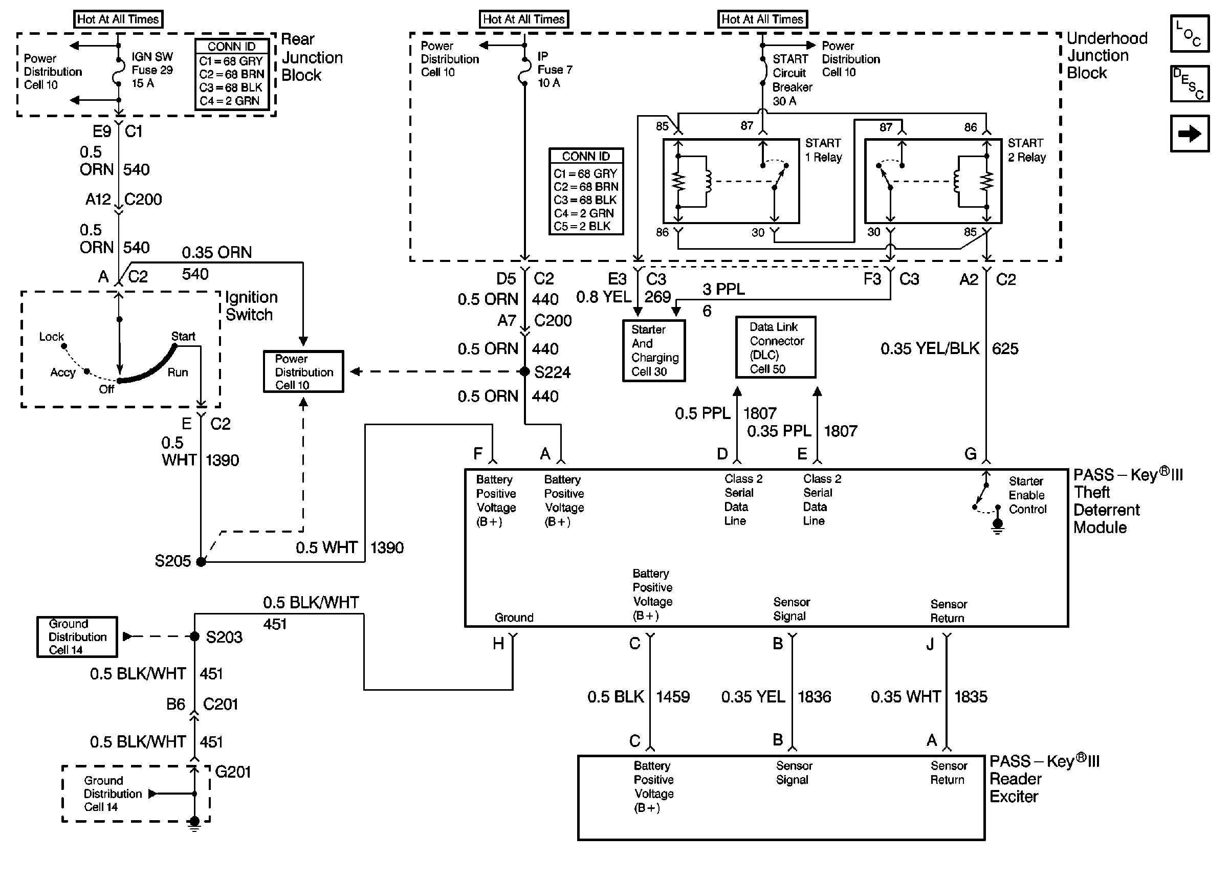
Cell 133: VTD PASS-Key System


Object Number: 130727  Size: FS
Theft Deterrent System Components
Vehicle Theft Deterrent (VTD)Circuit Description
Cell 133: CTD Door Switch Inputs
Cell 10: Battery - Rear Fuse(Junction) Block
Cell 10: PCM BATT, EXPORT BRK, IP, ABS SOL, and ABS MOT Fuses
Cell 10: START Circuit Breaker and ACC, WSW Fuses
Power Distribution Schematics
Cell 14: G401 (3 of 3)
Cell 30: Starter Solenoid Controls
Cell 50: Class Serial Data Line (2 of 2)
Cell 14: G201 (1 of 2)

Circuit Description

Battery positive voltage (B+) is supplied to the PASS-Key® III Theft Deterrent (VTD) Module at connector terminal A, CKT 440 (ORN). The VTD module monitors this voltage to determine if it is within a valid operating range.

Conditions for Setting the DTC

The battery positive voltage (B+) level falls below 9 volts for approximately 1.2 seconds or more.

Action Taken When the DTC Sets

    • Stores a DTC B1327 in the VTD module memory.
    • The VTD module will not respond to any manual or memory inputs when the voltage is less than 9 volts
    • No driver warning message will be displayed for this DTC.
    • No other VTD module DTCs will not set while DTC B1327 is current.

Conditions for Clearing the DTC

    • The battery positive voltage (B+) level rises above 9.5 volts for approximately 1.2 seconds.
    • Use the On-Boards clearing DTCs feature.
    • Use a scan tool.

Diagnostic Aids

The VTD module will not check for low battery positive voltage (B+) during and for 2 seconds following the engine CRANK mode, this insures that DTC B1327 will not erroneously set.

Test Description

The numbers below refer to the step numbers on the diagnostic table:

  1. Perform the Theft Deterrent System Diagnostic System Check before continuing with the diagnosis of this DTC.

  2. Checks that DTC was not set erroneously.

  3. Determines whether the malfunction is in the charging system or the VTD module.

  4. Clear all DTCs after the repair procedure is complete.

DTC B1327 -- Source Battery Voltage Low

Step

Action

Value(s)

Yes

No

1

Was the Theft Deterrent System Diagnostic System Check performed?

--

Go to Step 2

Go to Diagnostic System Check - Theft Deterrent

2

  1. Turn ON the ignition.
  2. Connect a scan tool to the Data Link Connector (DLC).
  3. Select DATA from the VTD DATA LIST.

Is the voltage within the specified range?

10-15 V

Go to Step 4

Go to Step 3

3

  1. Turn OFF the ignition.
  2. Disconnect the VTD module connector.
  3. Measure the voltage between the connector terminal A, CKT 440 (ORN) and ground.

Is the voltage within the specified range?

10-15 V

Go to Step 4

Go to Charging System Check in Engine Electrical

4

Replace the VTD Module. Refer to Theft Deterrent Module Replacement .

Refer to PASSLOCK Reprogramming Auto Learn .

Is the replacement complete?

--

Go to Step 5

--

5

  1. Turn OFF the ignition.
  2. Reconnect or install any connectors or components that were disconnected or removed.
  3. Turn ON the ignition.
  4. Clear any DTCs. Refer to Clearing DTCs .

Are all DTCs cleared?

--

Go to Diagnostic System Check - Theft Deterrent

--