GM Service Manual Online
For 1990-2009 cars only
Makes
🢒
Cadillac
🢒
1999
🢒
Seville
🢒
Engine
🢒
Engine Cooling
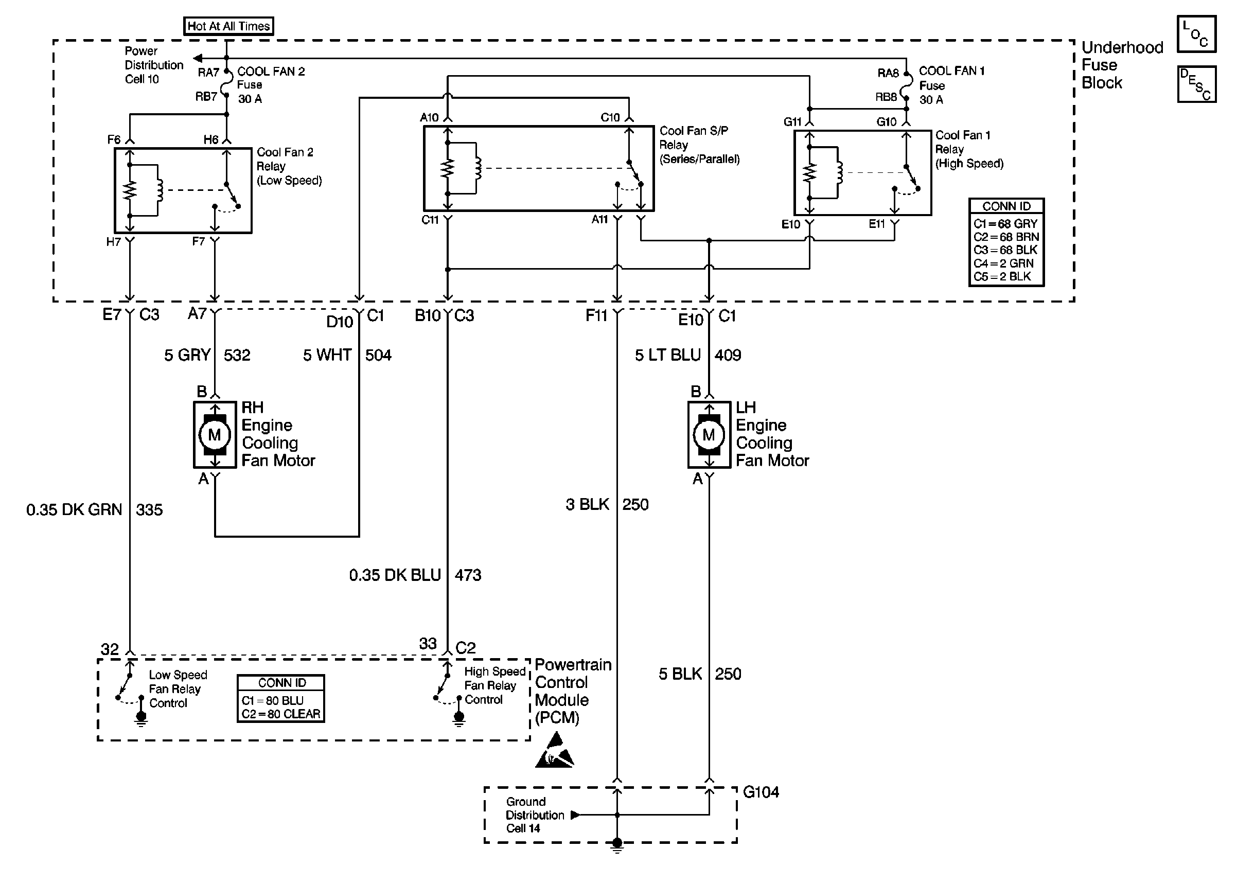
🢒 Cooling Fan Schematics
Cell 31
Cooling System Components
Cooling System Description
Handling ESD Sensitive Parts Notice
Powertrain Control Module Connector End Views
Cell 10: Power to Underhood Fuse Block
Cell 14: G104