GM Service Manual Online
For 1990-2009 cars only
Makes
🢒
Cadillac
🢒
1999
🢒
Seville
🢒
Suspension
🢒
Road Sensing Suspension (RSS)
🢒 Suspension Controls Schematics
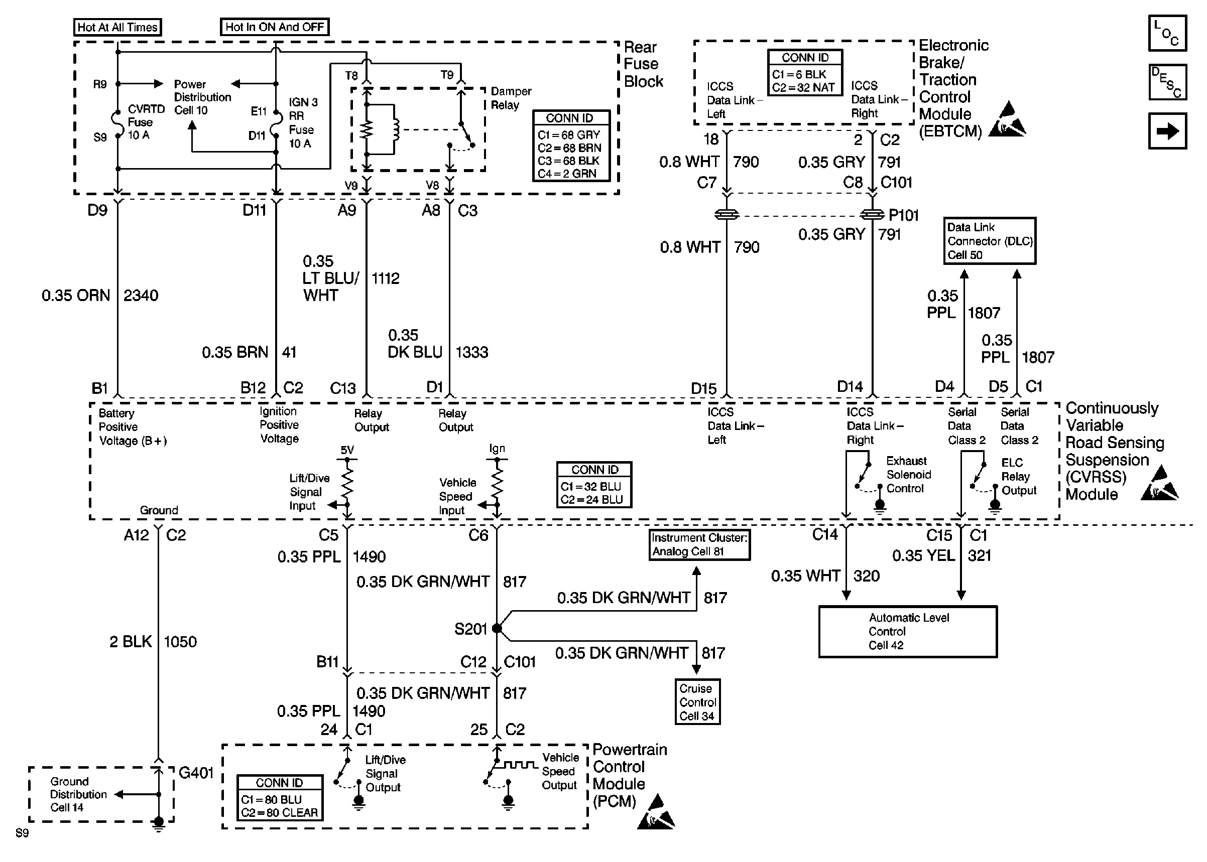
Figure
1:
Cell 43: Power and Ground
Suspension Controls Components
Road Sensing Suspension General Description
Cell 43: Sensors and Actuators
Power Distribution Schematics
Ground Distribution Schematics
Engine Controls Schematics
Cruise Control Schematics
Instrument Cluster: Analog Schematics
Handling ESD Sensitive Parts Notice
Handling ESD Sensitive Parts Notice
Automatic Level Control Schematics
Powertrain Control Module Connector End Views
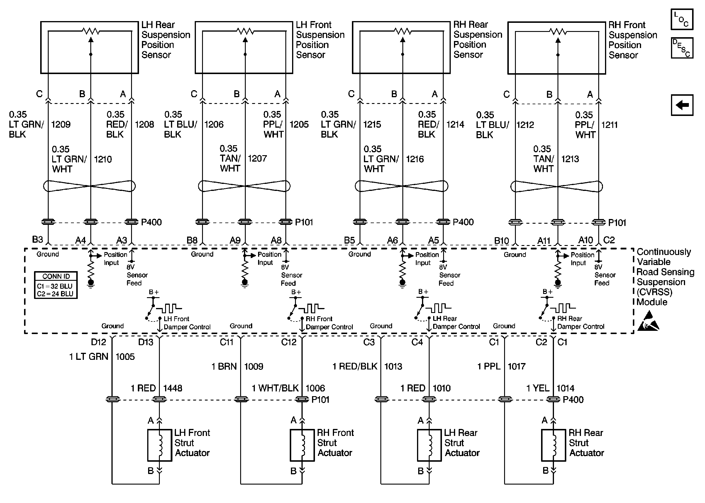
Figure
2:
Cell 43: Sensors and Actuators
Suspension Controls Components
Road Sensing Suspension General Description
Cell 43: Power and Ground
Suspension Controls Schematic Icons