GM Service Manual Online
For 1990-2009 cars only
Figure 1:

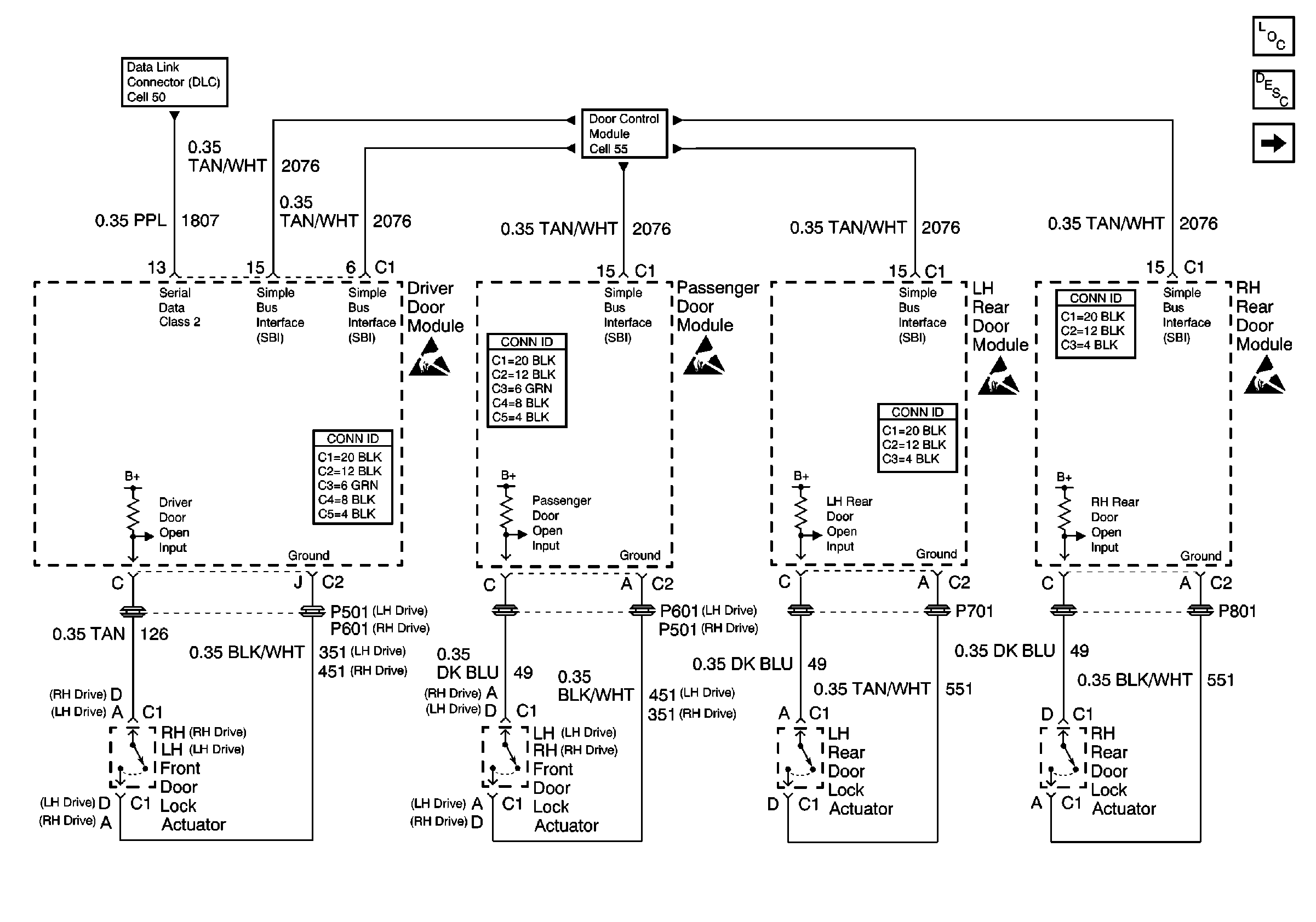
Cell 114: Door Lock Actuators


Object Number: 394863  Size: FS
Lighting Systems Components
Interior Lights Circuit Description
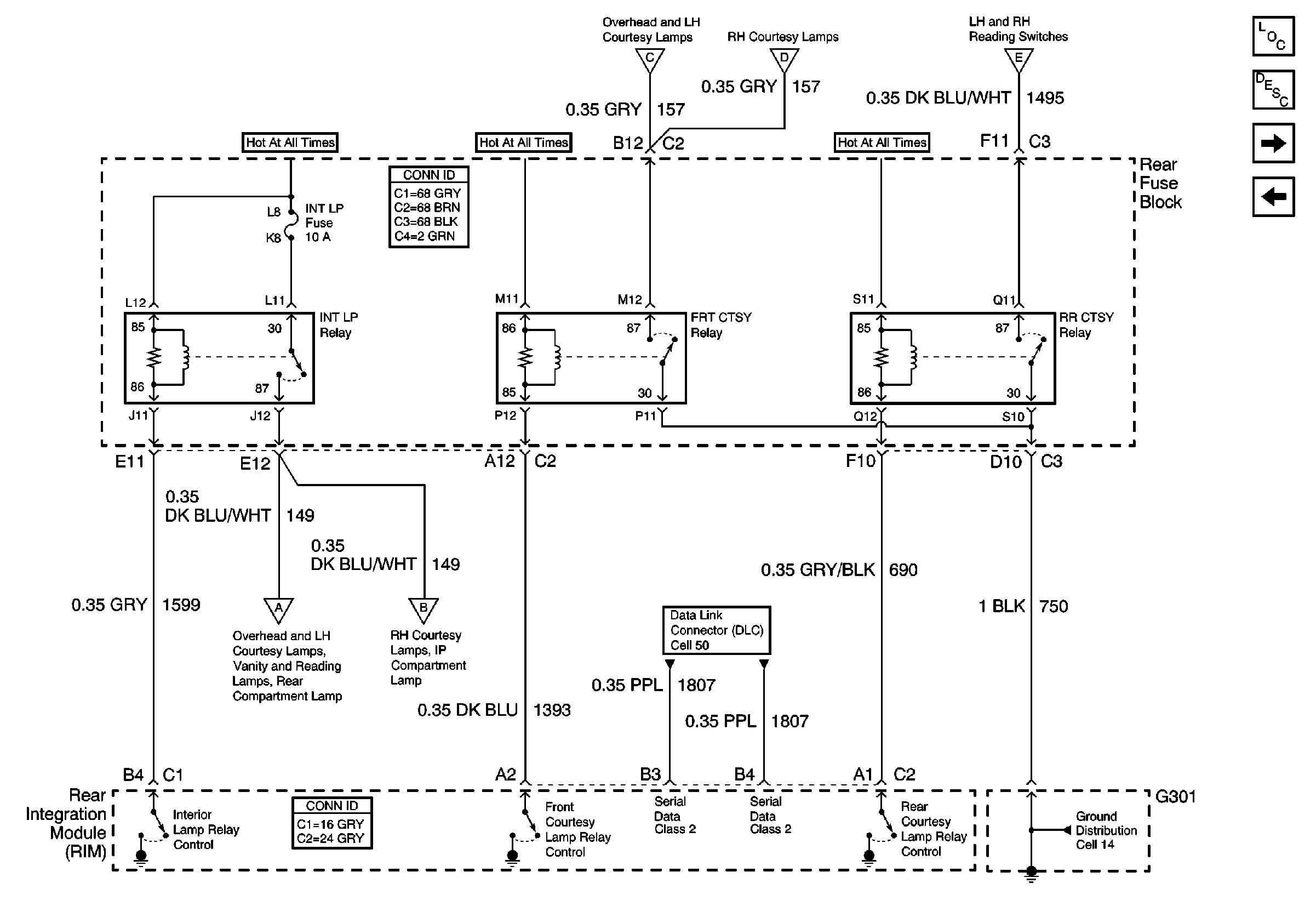
Cell 114: Interior Lamp Relays
Handling ESD Sensitive Parts Notice
Handling ESD Sensitive Parts Notice
Handling ESD Sensitive Parts Notice
Handling ESD Sensitive Parts Notice
Cell 50: Class 2 Serial Data Line (LH Drive)
Door Control Module Schematics
Power Door Systems Connector End Views
Power Door Systems Connector End Views
Power Door Systems Connector End Views
Power Door Systems Connector End Views
Figure 2:

Cell 114: Interior Lamp Relays


Object Number: 394865  Size: FS
Lighting Systems Components
Interior Lights Circuit Description
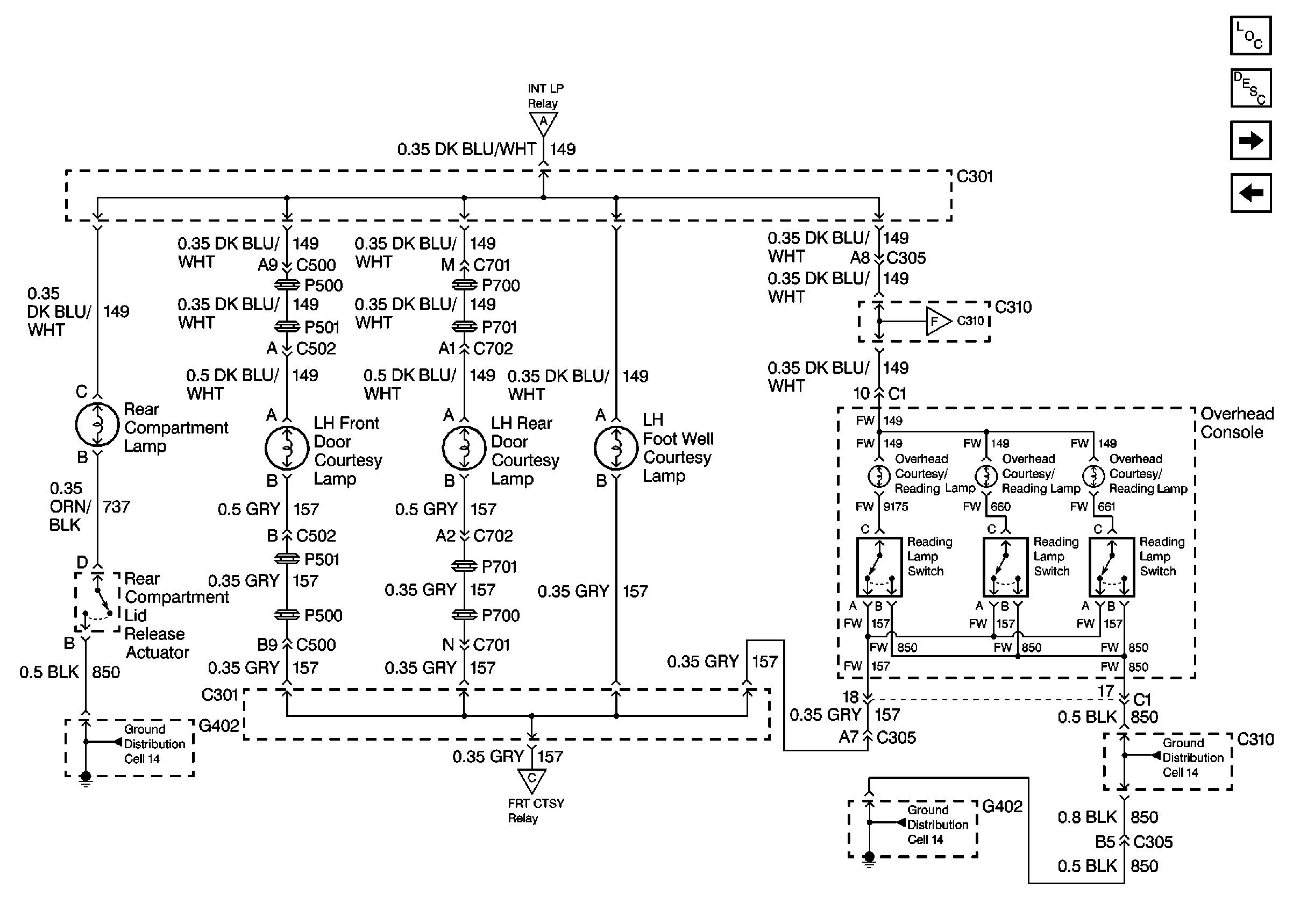
Cell 114: Rear Compartment, LH Courtesy, and Overhead Console Lamps
Cell 114: Door Lock Actuators
Cell 10: INT LP Fuse and Relay
Cell 10: INT LP Fuse and Relay
Cell 14: G301
Cell 114: Rear Compartment, LH Courtesy, and Overhead Console Lamps
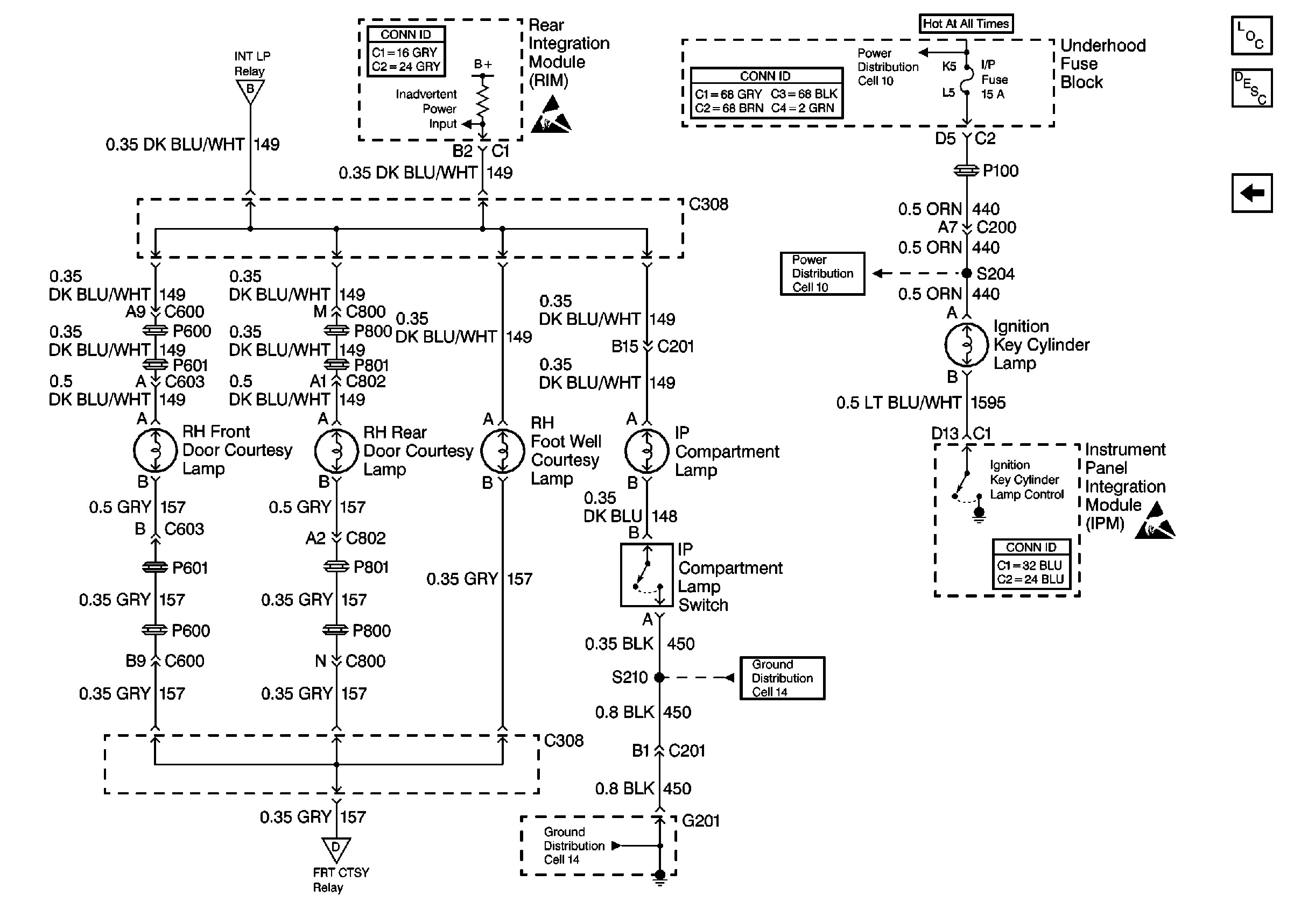
Cell 114: RH Courtesy, IP Compartment, and Ignition Key Cylinder Lamps
Cell 114: Rear Compartment, LH Courtesy, and Overhead Console Lamps
Cell 114: RH Courtesy, IP Compartment, and Ignition Key Cylinder Lamps
Cell 114: Vanity and Reading Lamps, Interior Lamp Switch
Cell 50: Class 2 Serial Data Line (LH Drive)
Power and Grounding Connector End Views
Body Control System Connector End Views
Figure 3:

Cell 114: Rear Compartment, LH Courtesy, and Overhead Console Lamps


Object Number: 394869  Size: FS
Lighting Systems Components
Interior Lights Circuit Description
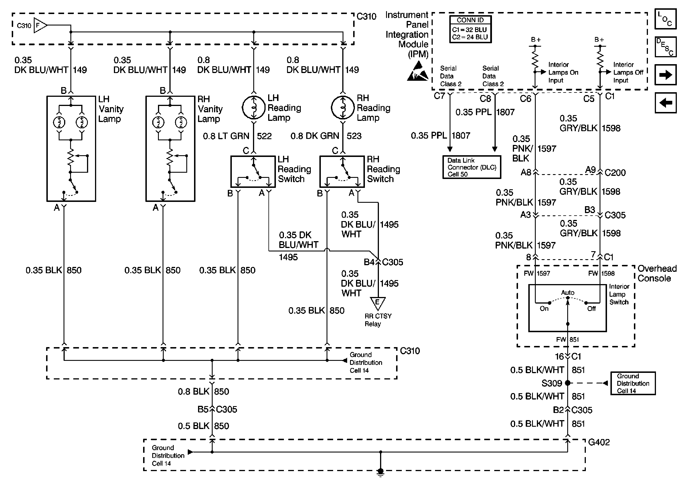
Cell 114: Vanity and Reading Lamps, Interior Lamp Switch
Cell 114: Interior Lamp Relays
Cell 14: G402 (1 of 2)
Cell 14: G402 (1 of 2)
Cell 14: G402 (1 of 2)
Cell 114: Interior Lamp Relays
Cell 114: Interior Lamp Relays
Cell 114: Vanity and Reading Lamps, Interior Lamp Switch
Figure 4:

Cell 114: Vanity and Reading Lamps, Interior Lamp Switch


Object Number: 394872  Size: FS
Lighting Systems Components
Interior Lights Circuit Description
Cell 114: RH Courtesy, IP Compartment, and Ignition Key Cylinder Lamps
Cell 114: Rear Compartment, LH Courtesy, and Overhead Console Lamps
Handling ESD Sensitive Parts Notice
Cell 14: G402 (1 of 2)
Cell 14: G402 (1 of 2)
Cell 14: G402 (1 of 2)
Cell 50: Class 2 Serial Data Line (LH Drive)
Cell 114: Interior Lamp Relays
Cell 114: Rear Compartment, LH Courtesy, and Overhead Console Lamps
Body Control System Connector End Views
Figure 5:

Cell 114: RH Courtesy, IP Compartment, and Ignition Key Cylinder Lamps


Object Number: 394877  Size: FS
Lighting Systems Components
Interior Lights Circuit Description
Cell 114: Vanity and Reading Lamps, Interior Lamp Switch
Handling ESD Sensitive Parts Notice
Handling ESD Sensitive Parts Notice
Cell 10: PCM BATT, EXPORT BRK, IP, ABS SOL, and ABS MOT Fuses
Cell 10: PCM BATT, EXPORT BRK, IP, ABS SOL, and ABS MOT Fuses
Cell 14: G201 (2 of 3)
Cell 14: G201 (2 of 3)
Cell 114: Interior Lamp Relays
Cell 114: Interior Lamp Relays
Body Control System Connector End Views
Power and Grounding Connector End Views
Body Control System Connector End Views