GM Service Manual Online
For 1990-2009 cars only

Removal Procedure

  1. Open the hood.

  2. Object Number: 105303  Size: SH
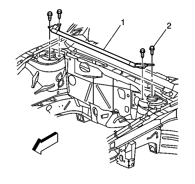
  3. Remove the bolts (2) retaining the cross vehicle brace (1) to the vehicle.
  4. Remove the cross vehicle brace (1) from the vehicle.

Installation Procedure


    Object Number: 105303  Size: SH
  1. Install the cross vehicle brace (1) to the vehicle.
  2. Notice: Use the correct fastener in the correct location. Replacement fasteners must be the correct part number for that application. Fasteners requiring replacement or fasteners requiring the use of thread locking compound or sealant are identified in the service procedure. Do not use paints, lubricants, or corrosion inhibitors on fasteners or fastener joint surfaces unless specified. These coatings affect fastener torque and joint clamping force and may damage the fastener. Use the correct tightening sequence and specifications when installing fasteners in order to avoid damage to parts and systems.

  3. Install the bolts (2) to retain the cross vehicle brace (1) to the vehicle.
  4. Tighten
    Tighten the bolts (2) to 40 N·m (30 lb ft).

  5. Close the hood.