GM Service Manual Online
For 1990-2009 cars only
Makes
🢒
Cadillac
🢒
1999
🢒
Seville
🢒 Cell 134
Cell 134
Cell 134
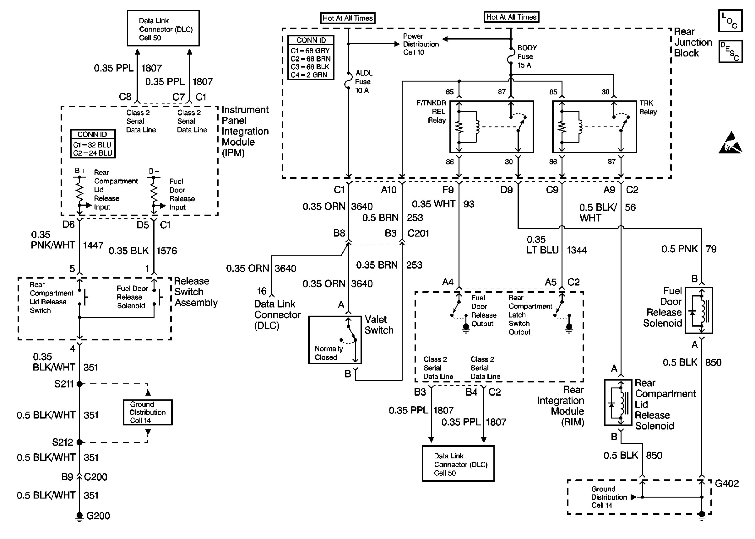
Body Rear End Components
Rear Compartment Lid Release Description
Rear Compartment Lid Release Description
Cell 50: Class Serial Data Line (2 of 2)
Cell 50: Class Serial Data Line (1 of 2)
Cell 14: G200 (1 of 2)
Cell 14: G402 (1 of 2)
Power Distribution Schematics
Handling ESD Sensitive Parts Notice
Body Control System Connector End Views
Power and Grounding Connector End Views