GM Service Manual Online
For 1990-2009 cars only
Makes
🢒
Cadillac
🢒
1999
🢒
Seville
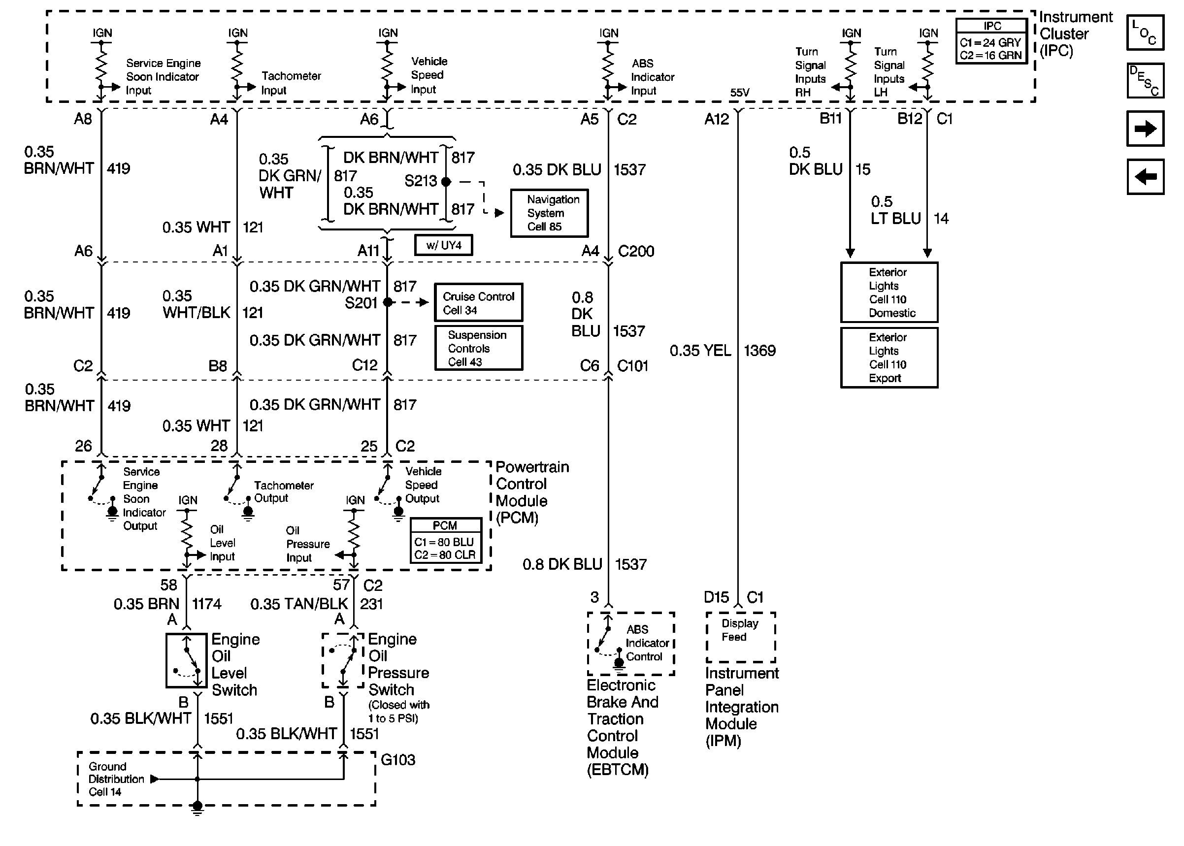
🢒 Cell 81: PCM and IPC Inputs
Cell 81: PCM and IPC Inputs
Cell 81: PCM and IPC Inputs
Instrument Cluster Components
Instrument Cluster Circuit Description
Cell 81: Coolant, Brake Fluid, Park Brake and Washer Fluid Inputs
Cell 81: Power, Ground, and Class 2
Ground Distribution Schematics
Cruise Control Schematics
Suspension Controls Schematics
Navigation System Schematics 98
Exterior Lights Schematics Domestic
Exterior Lights Schematics Export