GM Service Manual Online
For 1990-2009 cars only
Makes
🢒
Cadillac
🢒
1999
🢒
Seville
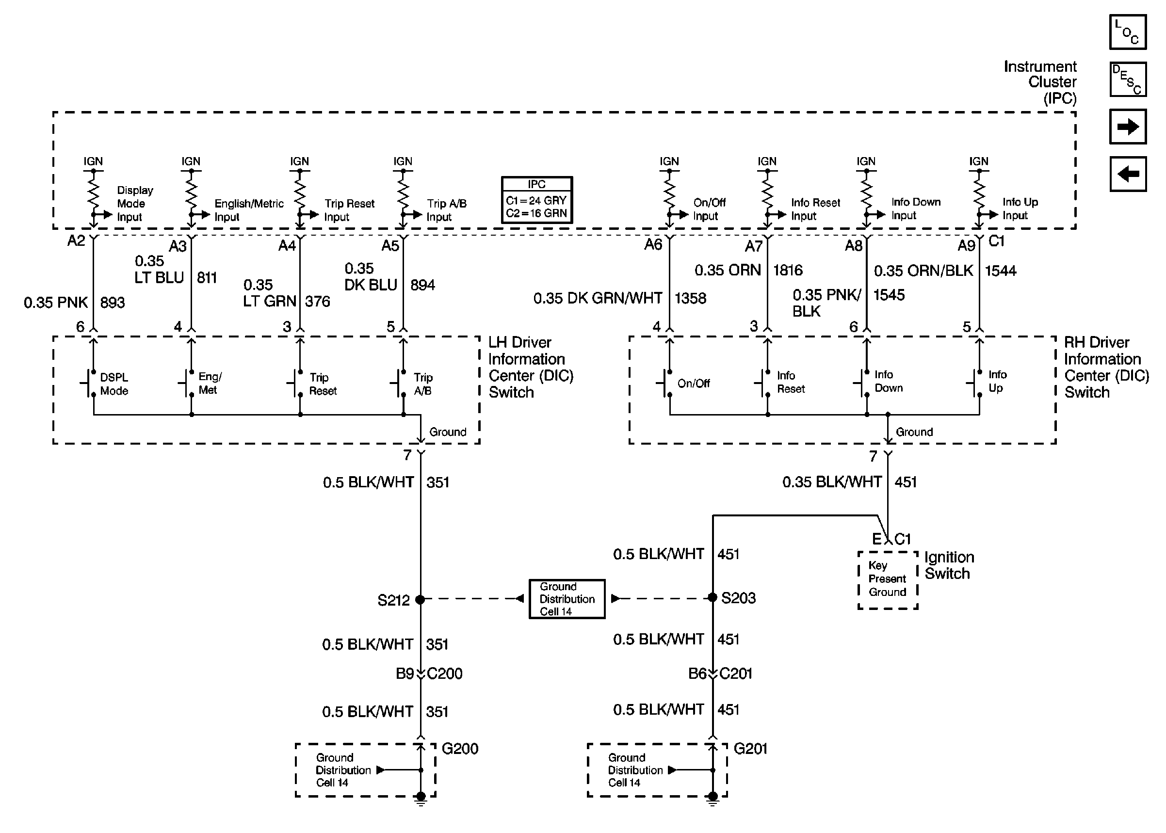
🢒 Cell 81: MIL, Tach, VSS and ABS Controls
Cell 81: MIL, Tach, VSS and ABS Controls
Cell 81: MIL, Tach, VSS and ABS Controls
Instrument Cluster Components
Instrument Cluster Circuit Description
Cell 81: Fuel Sender and Rear Compartment Lid Switch
Cell 81: Coolant, Brake Fluid, Park Brake and Washer Fluid Inputs
Ground Distribution Schematics
Ground Distribution Schematics
Ground Distribution Schematics