GM Service Manual Online
For 1990-2009 cars only
Makes
🢒
Cadillac
🢒
1999
🢒
Seville
🢒 Cell 20: Cooling Fans
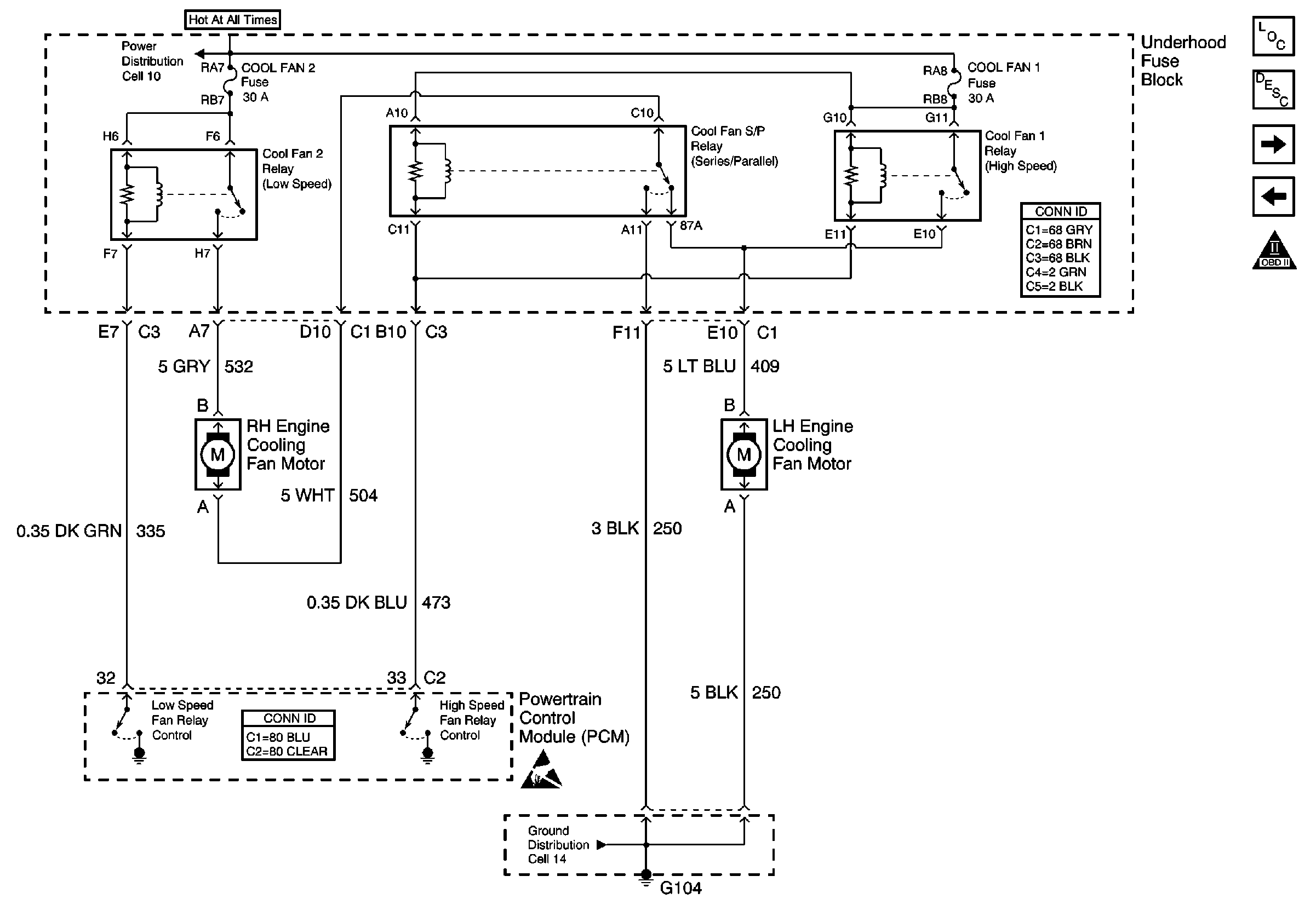
Cell 20: Cooling Fans
Cell 20: Cooling Fans
Engine Controls Components
Electronic Component Description
Cell 20: Park/Neutral Position Switch and VSS
Cell 20: Transaxle Sensors and TR Switch
OBD II Symbol Description Notice
Cell 10: COOL FAN 1, COOL FAN 2, and HORN Fuses
Powertrain Control Module Connector End Views
Handling ESD Sensitive Parts Notice
Cell 14: G104
Power and Grounding Connector End Views