GM Service Manual Online
For 1990-2009 cars only
Makes
🢒
Cadillac
🢒
1999
🢒
Seville
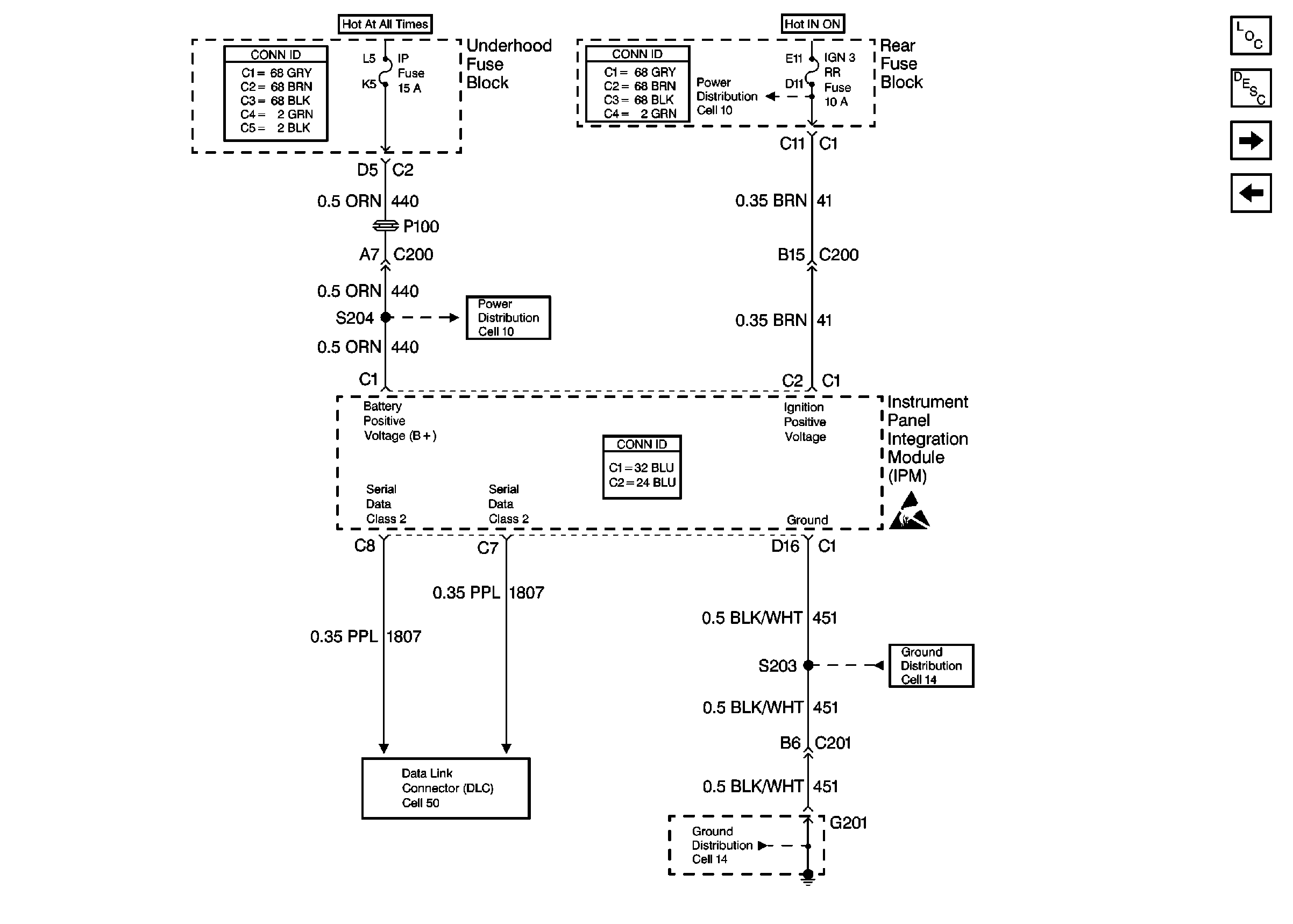
🢒 Cell 51: IPM Power and Ground
Cell 51: IPM Power and Ground
Cell 51: IPM Power and Ground
Handling ESD Sensitive Parts Notice
Body Control Module Components
Body Control System Circuit Description
Cell 51: IPM Inputs and Outputs (1 of 2)
Cell 51: DIM Inputs and Outputs (2 of 2)
Cell 14: G201 (1 of 3)
Cell 14: G201 (1 of 3)
Data Link Connector Schematics
Cell 10: PCM BATT, EXPORT BRK, IP, ABS SOL, and ABS MOT Fuses
Cell 10: IGN 3 RR Fuses