GM Service Manual Online
For 1990-2009 cars only
Makes
🢒
Cadillac
🢒
1999
🢒
Seville
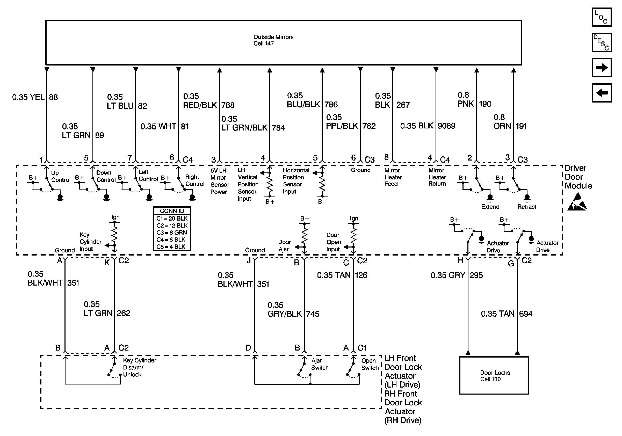
🢒 Cell 55: Driver Door Module Power, Ground, Inputs, and Outputs
Cell 55: Driver Door Module Power, Ground, Inputs, and Outputs
Cell 55: Driver Door Module Power, Ground, Inputs, and Outputs
Power Door Systems Components
Door Description
Cell 55: Passenger Door Module Power, Ground, Inputs, and Outputs
Cell 55: Driver Door Module Inputs and Outputs
Cell 147: LH Power Mirror with Memory (A45)
Handling ESD Sensitive Parts Notice
Cell 130: LH Power Door Locks