GM Service Manual Online
For 1990-2009 cars only
Makes
🢒
Cadillac
🢒
1999
🢒
Seville
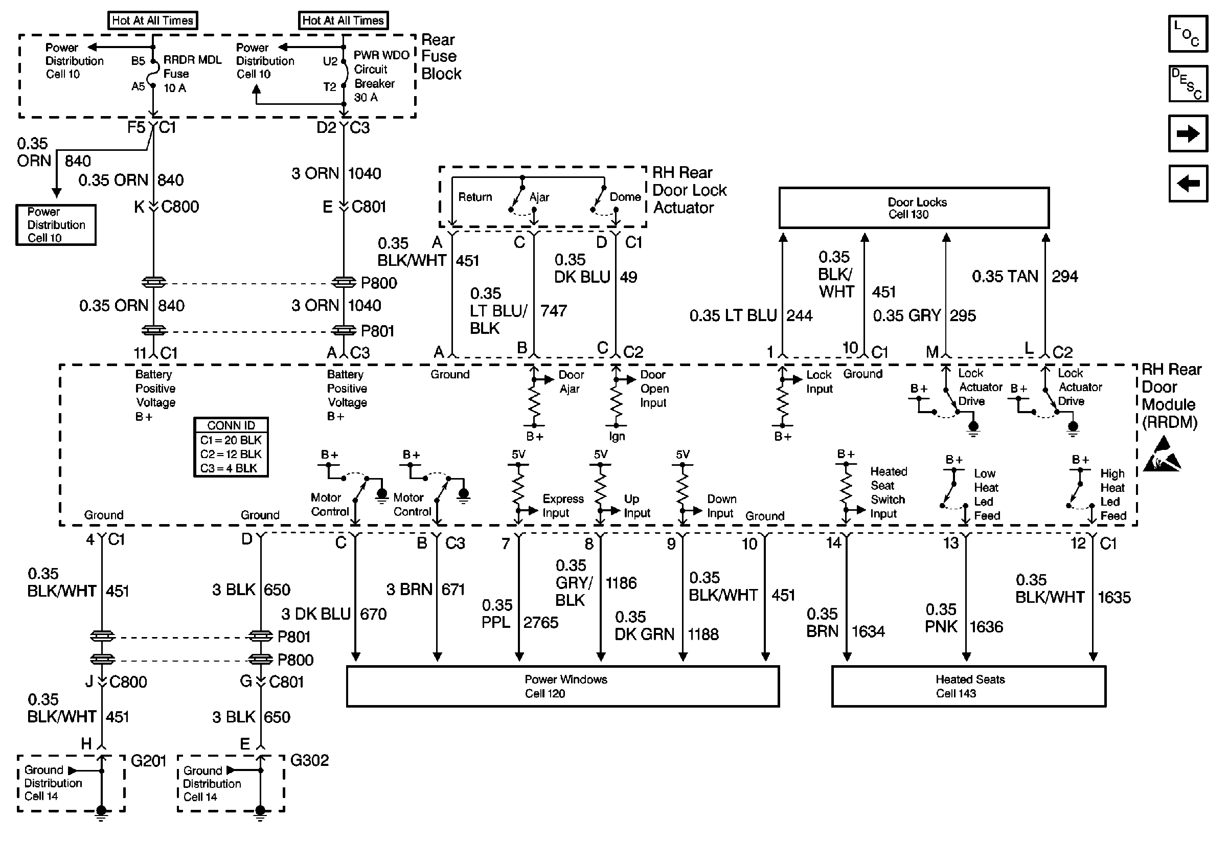
🢒 Cell 55: RRDM Power, Ground, Inputs, and Outputs
Cell 55: RRDM Power, Ground, Inputs, and Outputs
Cell 55: RRDM Power, Ground, Inputs, and Outputs
Power Door Systems Components
Door Description
Cell 55: SBI
Cell 55: LRDM Power, Ground, Inputs, and Outputs
Cell 10: DRV MDL, PASS MDL, RRDR MDL and ALDL Fuses
Cell 10: PWR WDO and PWR SEAT Circuit Breakers
Cell 10: DRV MDL, PASS MDL, RRDR MDL and ALDL Fuses
Cell 130: RH Power Door Locks
Handling ESD Sensitive Parts Notice
Cell 120: RH Power Window
Cell 143: Rear Heated Seat Switches
Cell 14: G201 (1 of 3)
Cell 14: G302