GM Service Manual Online
For 1990-2009 cars only
Makes
🢒
Cadillac
🢒
1999
🢒
Seville
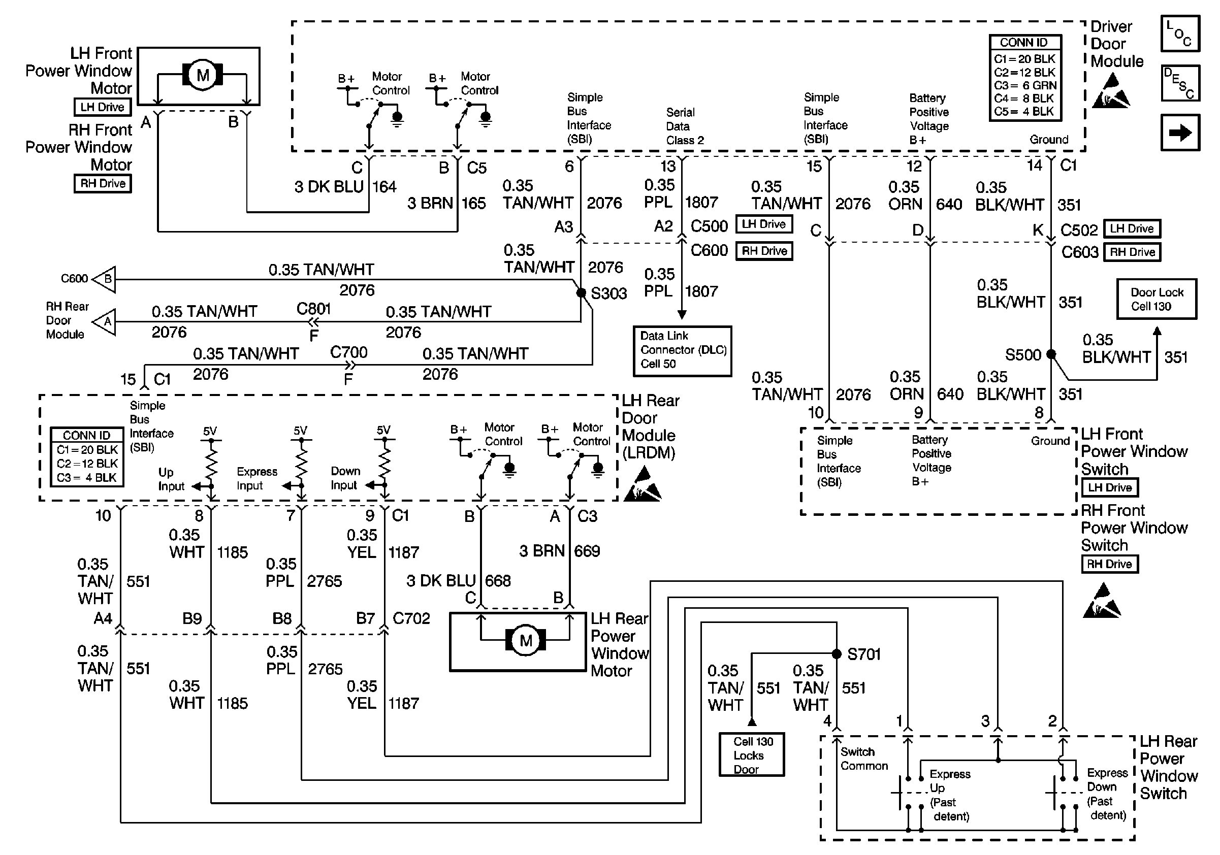
🢒 Cell 120: LH Power Windows
Cell 120: LH Power Windows
Cell 120: LH Power Windows
Power Door Systems Components
Door Description
Cell 120: RH Power Window
Handling ESD Sensitive Parts Notice
Cell 120: RH Power Window
Cell 120: RH Power Window
Cell 50: Class 2 Serial Data Line (LH Drive)
Cell 130: RH Power Door Locks
Handling ESD Sensitive Parts Notice
Handling ESD Sensitive Parts Notice
Cell 130: LH Power Door Locks