GM Service Manual Online
For 1990-2009 cars only
Makes
🢒
Cadillac
🢒
1999
🢒
Seville
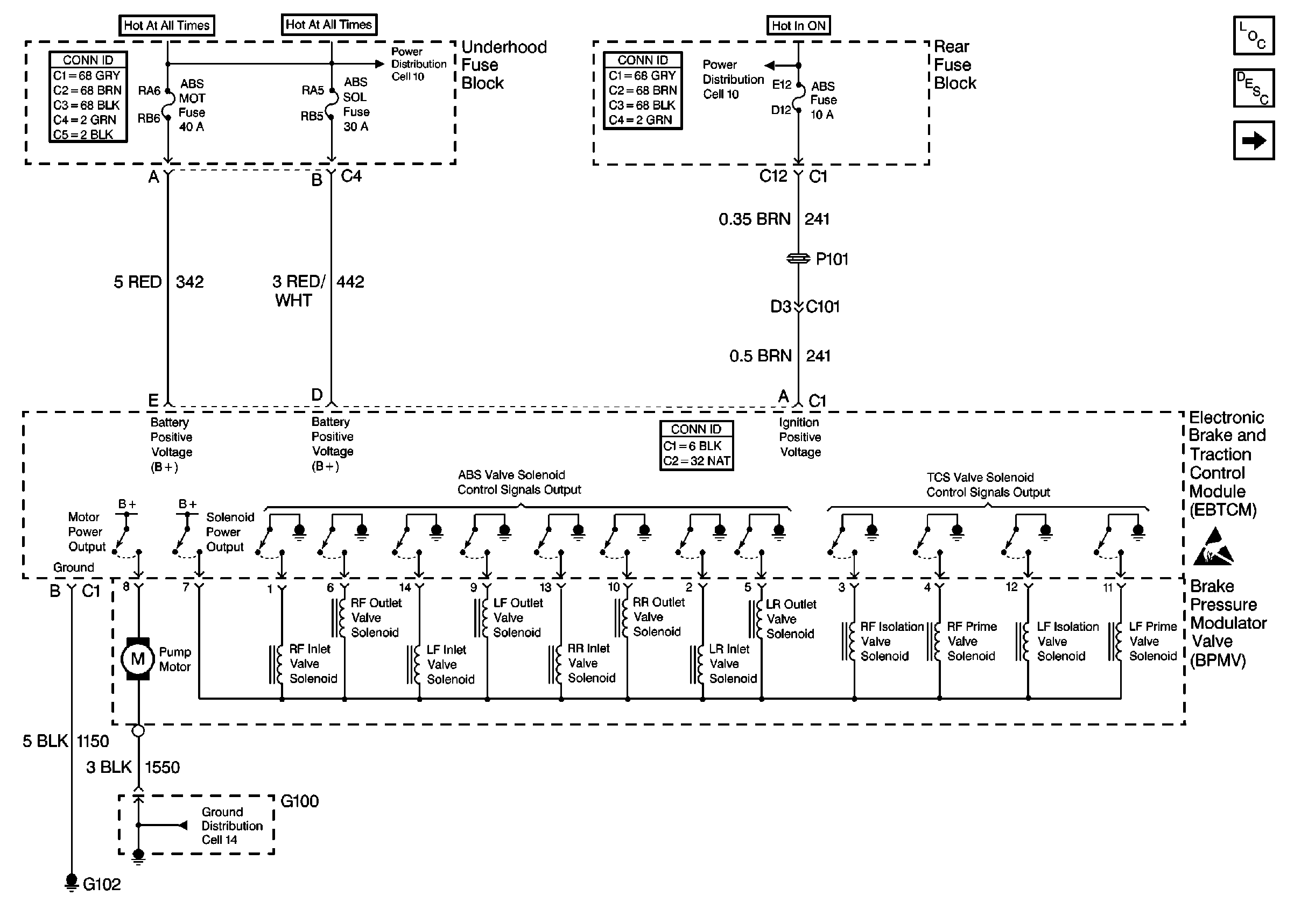
🢒 Cell 44: PWR, GND, BPMV Pump Motor and Solenoids
Cell 44: PWR, GND, BPMV Pump Motor and Solenoids
Cell 44: PWR, GND, BPMV Pump Motor and Solenoids
ABS Components
ABS Description
Cell 44: Lateral Accelerometer, Yaw Rate, and Steering Wheel Position Sensors
Handling ESD Sensitive Parts Notice
Cell 10: Power to Underhood Fuse Block
Cell 10: IGN 3 Relay and HVAC, ABS Fuses
Cell 14: G100