GM Service Manual Online
For 1990-2009 cars only
Makes
🢒
Cadillac
🢒
1999
🢒
Seville
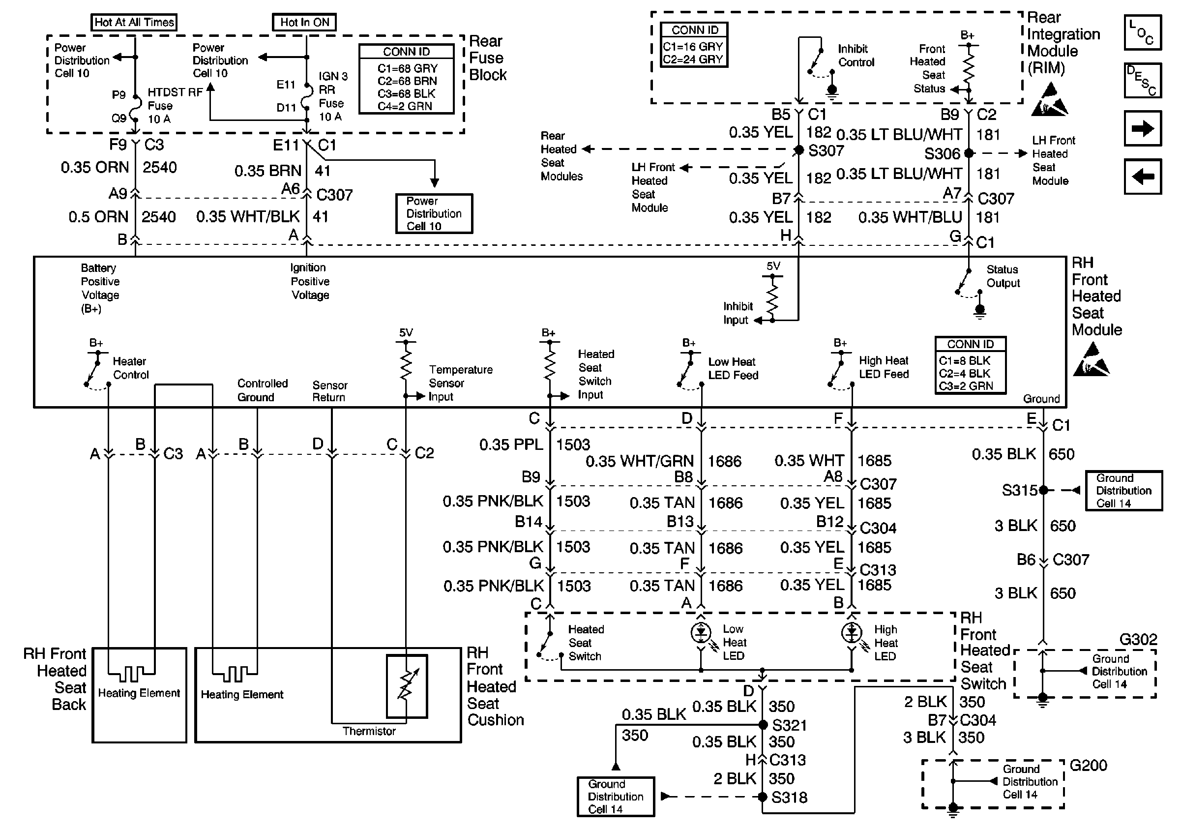
🢒 Cell 143: RH Front Heated Seat
Cell 143: RH Front Heated Seat
Cell 143: RH Front Heated Seat
Power Seat Systems Components
Heated Seats Circuit Description
Cell 143: Rear Heated Seat Modules
Cell 143: LH Front Heated Seat
Cell 10: IGN, SW, HTDST LR, HTDST RR, and HTDST RF Fuses
Cell 10: IGN 3 RR Fuses
Cell 10: IGN 3 RR Fuses
Cell 14: G302
Cell 14: G302
Cell 14: G202 and G200 (2 of 2)
Cell 14: G202 and G200 (2 of 2)
Power and Grounding Connector End Views
Body Control System Connector End Views
Power Seat Connector End Views
Cell 143: Rear Heated Seat Modules
Cell 143: LH Front Heated Seat
Cell 143: LH Front Heated Seat
Handling ESD Sensitive Parts Notice
Handling ESD Sensitive Parts Notice