GM Service Manual Online
For 1990-2009 cars only
Makes
🢒
Cadillac
🢒
1999
🢒
Seville
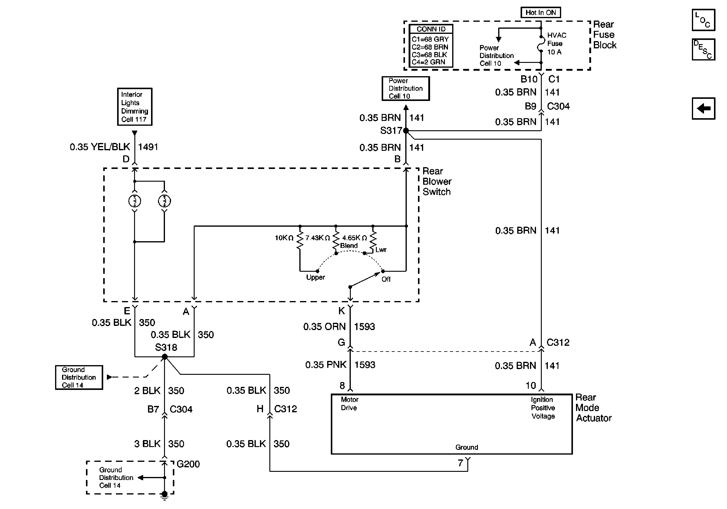
🢒 Cell 68: Rear Actuator
Cell 68: Rear Actuator
Cell 68: Rear Actuator
HVAC Components
HVAC Air Delivery/Temperature Control Circuit Description
Cell 68: Temperature Sensors
Cell 117: Ashtray Lamp, Steering Wheel Controls, Console Dimming
Cell 10: IGN 3 Relay and HVAC, ABS Fuses
Cell 10: IGN 3 Relay and HVAC, ABS Fuses
Cell 14: G202 and G200 (2 of 2)
Cell 14: G202 and G200 (2 of 2)
Power and Grounding Connector End Views