GM Service Manual Online
For 1990-2009 cars only
Makes
🢒
Cadillac
🢒
1999
🢒
Seville
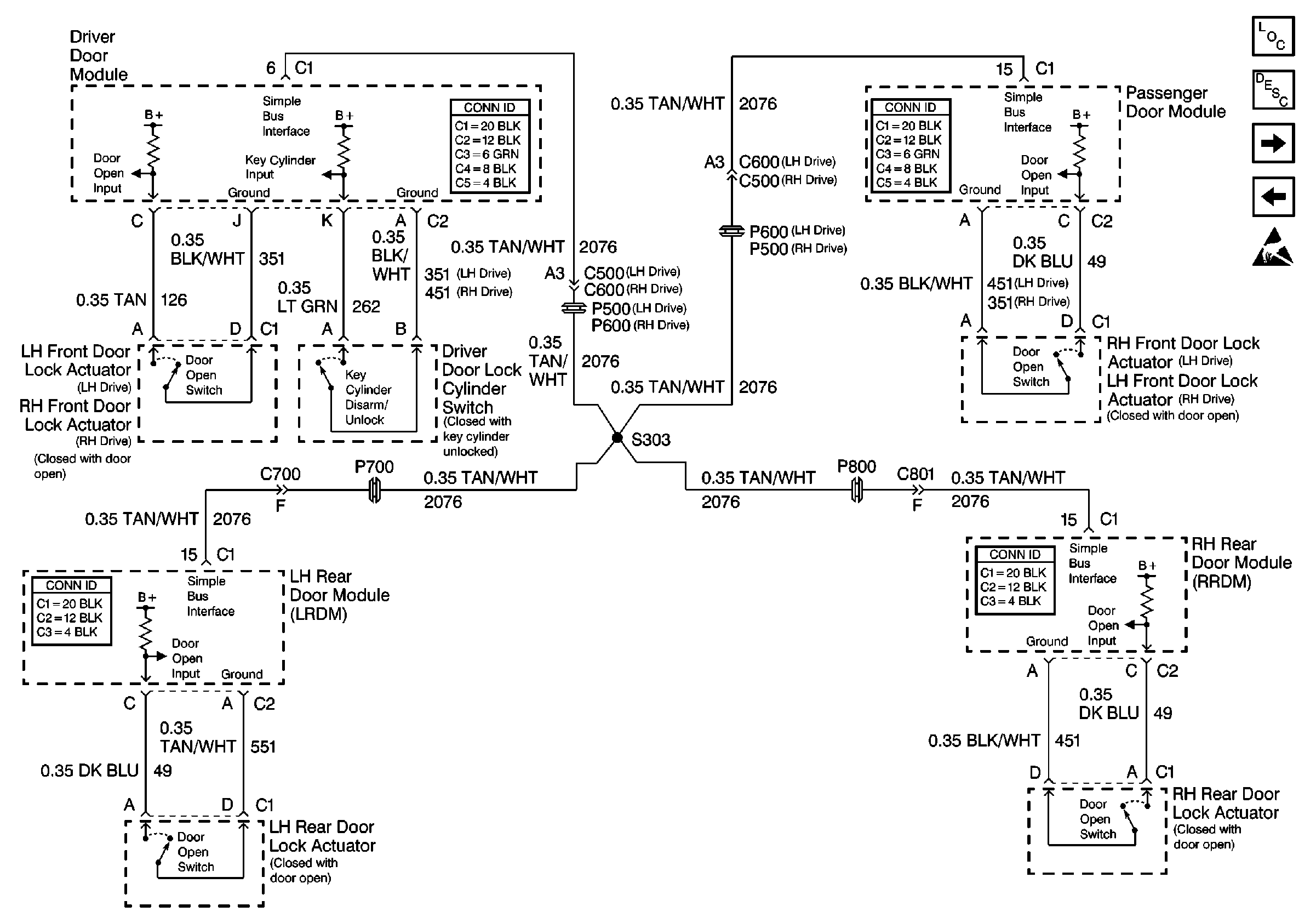
🢒 Cell 133: CTD Door Switch Inputs
Cell 133: CTD Door Switch Inputs
Cell 133: CTD Door Switch Inputs
Theft Deterrent System Components
Content Theft Deterrent (CTD) Circuit Description
Cell 133: CTD Outputs, Tamper Switches, and Class 2
Cell 133: PASS-Key
Handling ESD Sensitive Parts Notice