GM Service Manual Online
For 1990-2009 cars only
Makes
🢒
Cadillac
🢒
1999
🢒
Seville
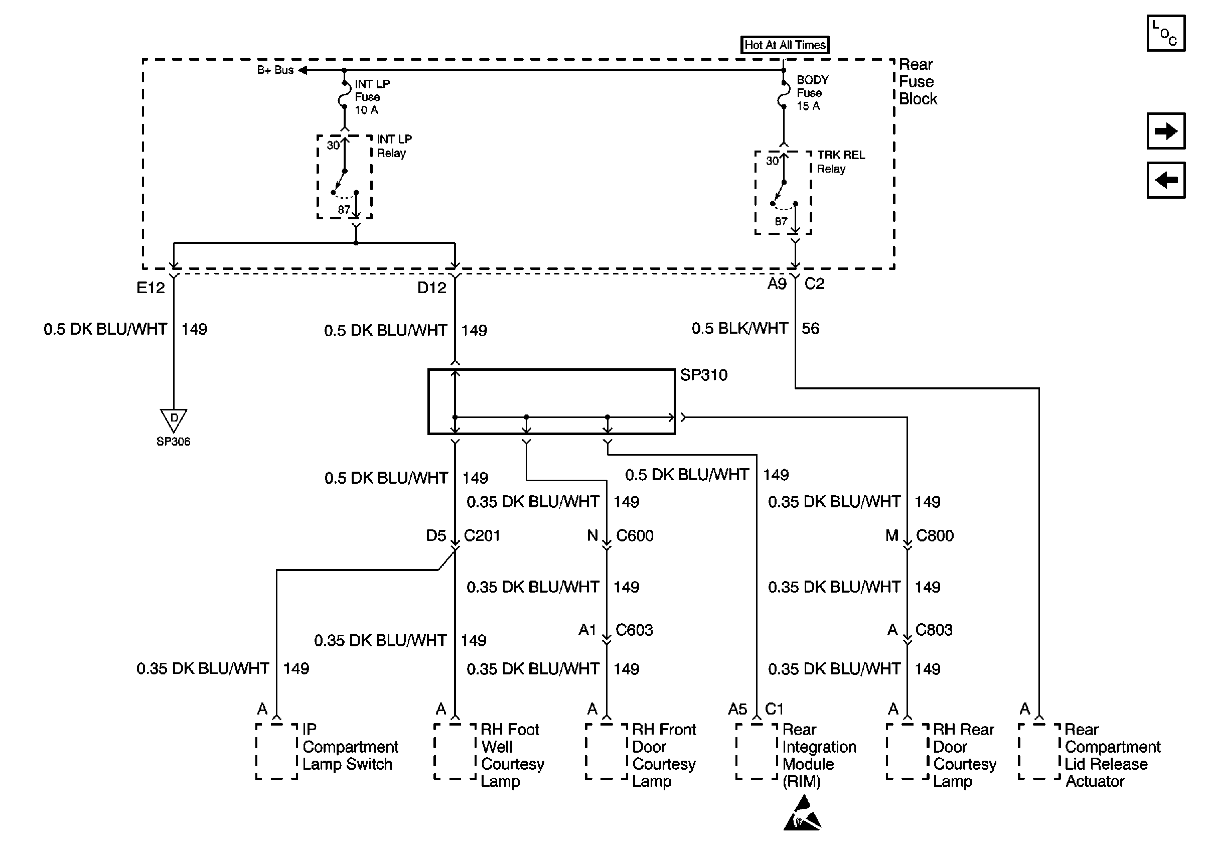
🢒 INT LP, BODY Fuses, INT LP and TRK REL Relays (1 of 2) (Rear Fuse Block)
INT LP, BODY Fuses, INT LP and TRK REL Relays (1 of 2) (Rear Fuse Block)
INT LP, BODY Fuses, INT LP and TRK REL Relays (1 of 2) (Rear Fuse Block)
INT LP, BODY Fuses, INT LP and TRK REL Relays (2 of 2) (RR BEC)
PWR WDO and PWR SEAT Circuit Breakers (Rear Fuse Block)
Battery Feed to the Rear Fuse Block
INT LP, BODY Fuses, INT LP and TRK REL Relays (2 of 2) (RR BEC)
Handling ESD Sensitive Parts Notice