GM Service Manual Online
For 1990-2009 cars only
Makes
🢒
Cadillac
🢒
1999
🢒
Seville
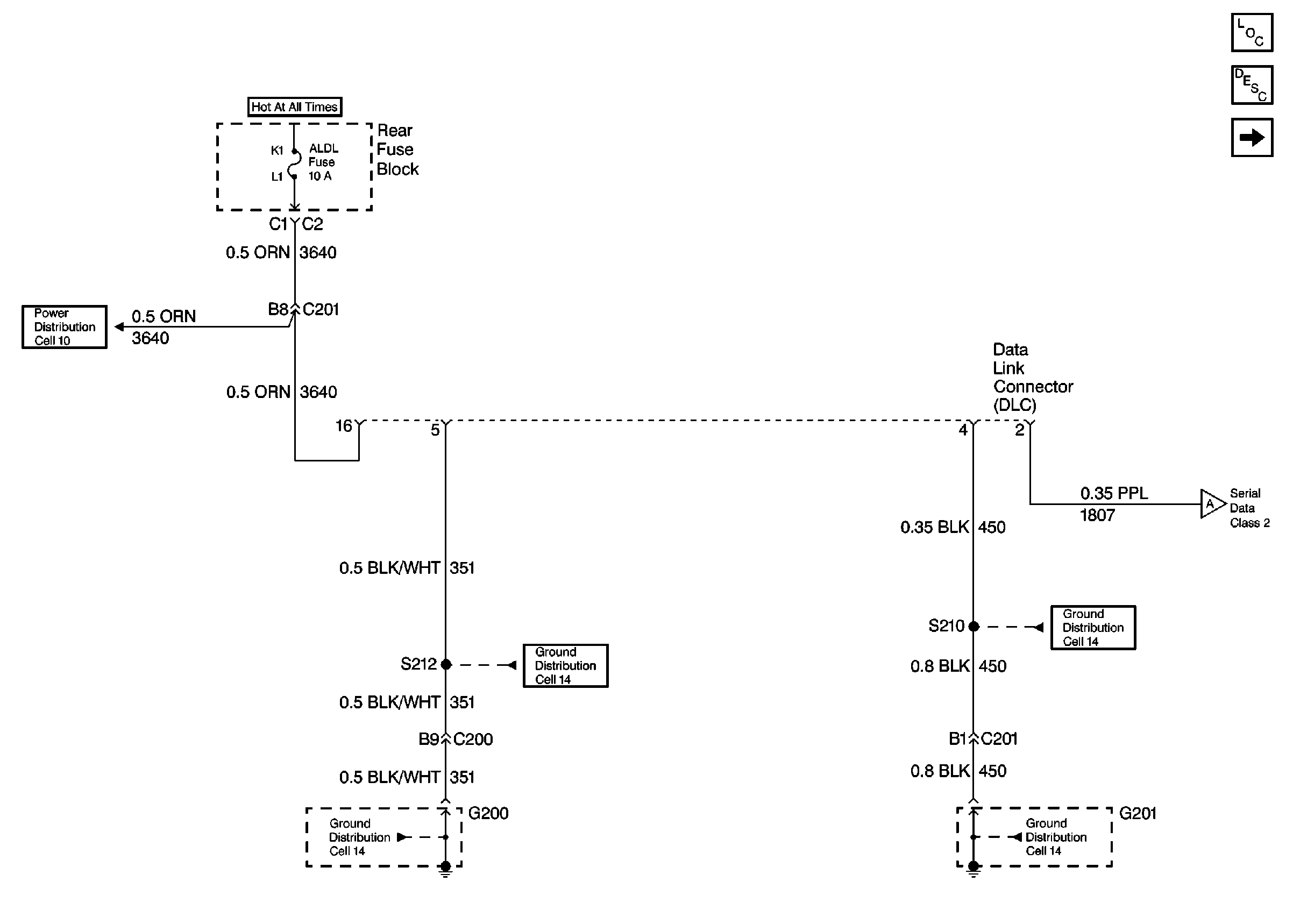
🢒 Cell 50: Data Link Connector Power and Ground (LH Drive)
Cell 50: Data Link Connector Power and Ground (LH Drive)
Cell 50: Data Link Connector Power and Ground (LH Drive)
Cell 50: Class 2 Serial Data Line (LH Drive)
Cell 14: G201 (2 of 3)
Cell 14: G200 (1 of 2)
Cell 14: G201 (2 of 3)
Cell 14: G200 (1 of 2)
Cell 10: DRV MDL, PASS MDL, RRDR MDL and ALDL Fuses
Cell 50: Class 2 Serial Data Line (LH Drive)
Data Link Communications Components
Data Link Communications Circuit Description