GM Service Manual Online
For 1990-2009 cars only
Makes
🢒
Cadillac
🢒
1999
🢒
Seville
🢒 Cell 46
Cell 46
Cell 46
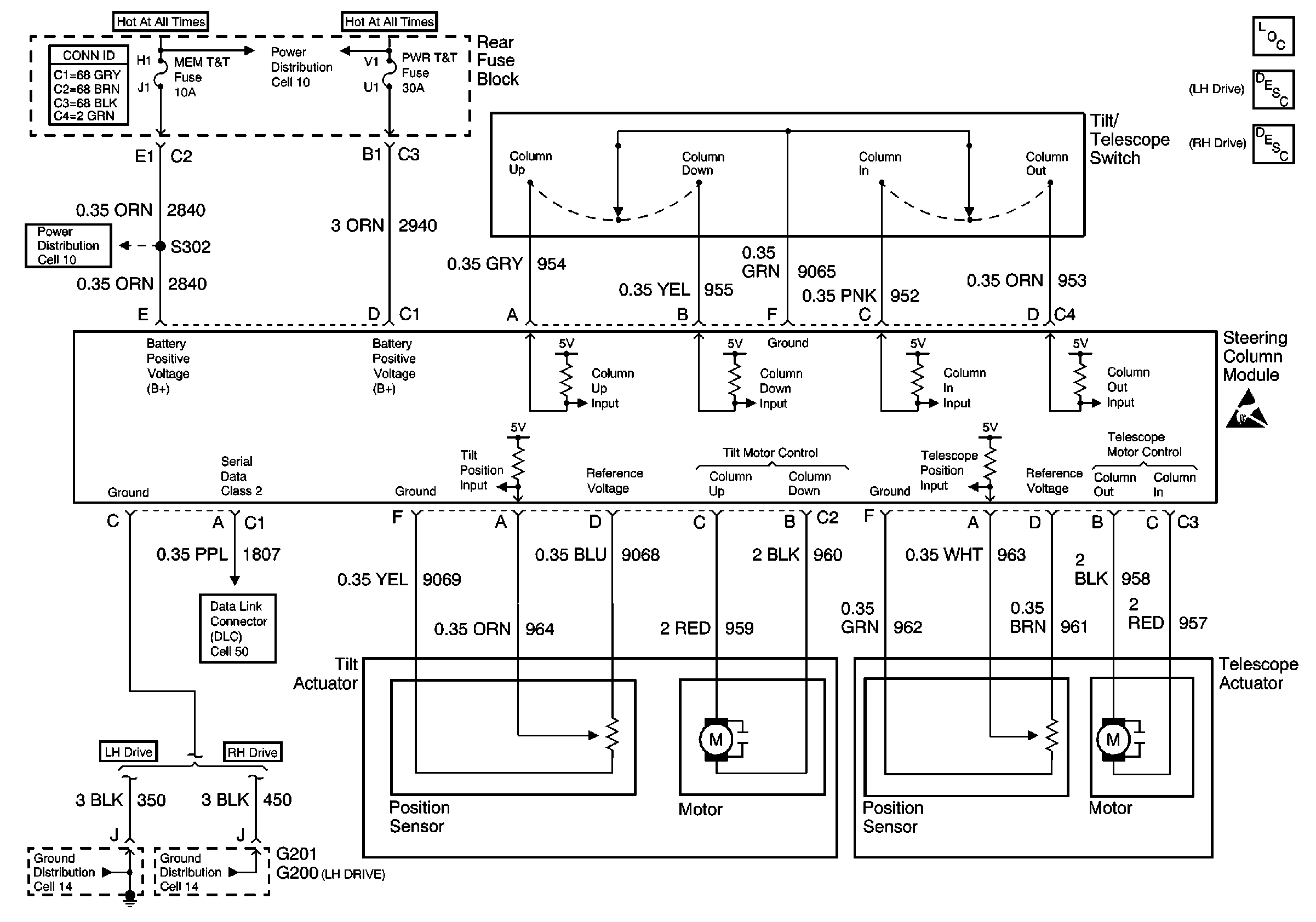
Tilt Wheel/Column Components
Tilt/Telescoping Steering Column Circuit Description LHD
Tilt/Telescoping Steering Column Circuit Description RHD
Handling ESD Sensitive Parts Notice
Cell 10: Battery
Cell 10: MEM T/T PWWR T/T and TSIG/HAZ Fuses
Data Link Connector Schematics
Cell 14: G200 (1 of 2)
Cell 14: G201 (3 of 3)