GM Service Manual Online
For 1990-2009 cars only
Makes
🢒
Cadillac
🢒
1999
🢒
Seville
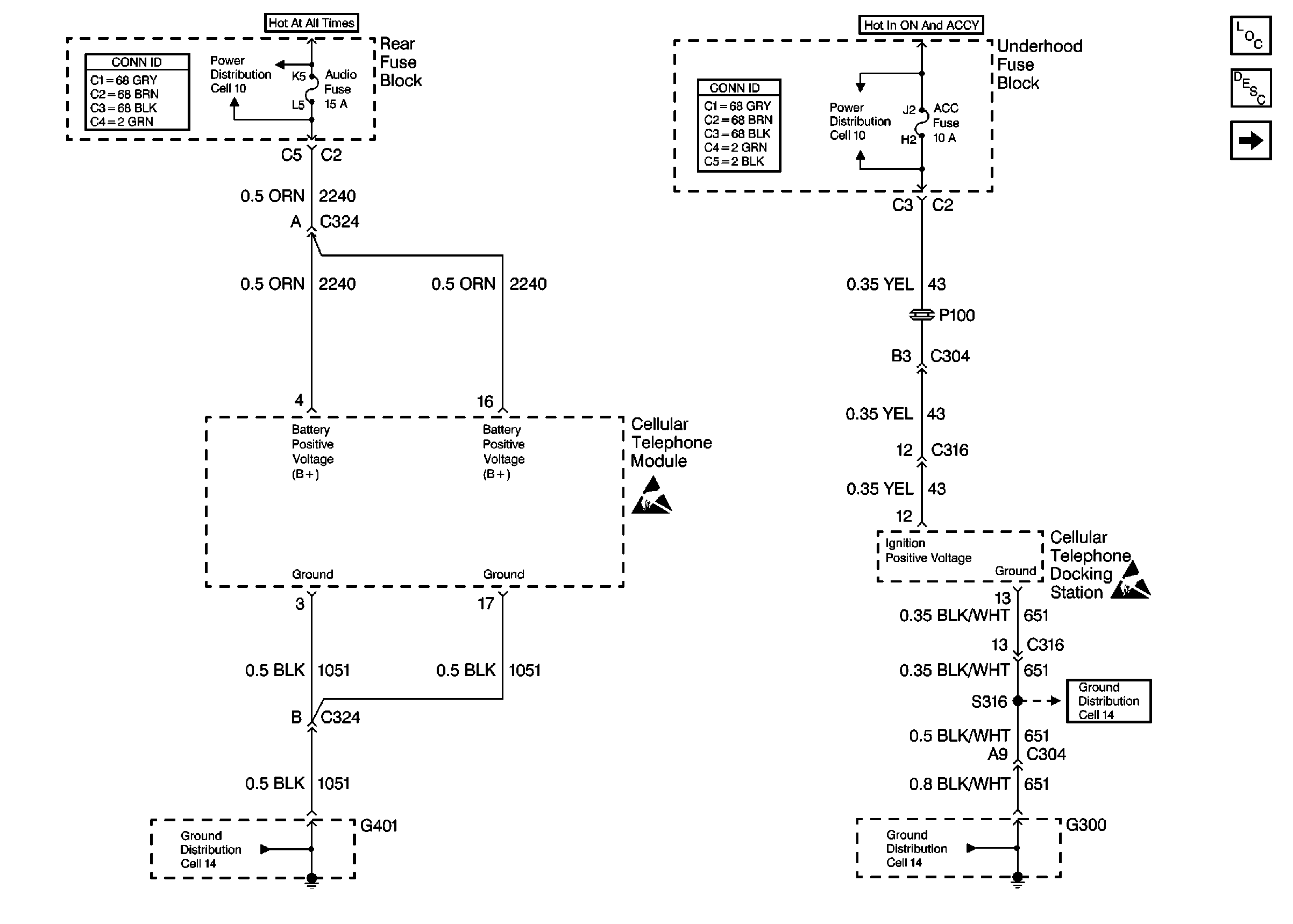
🢒 Cell 153: Power and Grounds
Cell 153: Power and Grounds
Cell 153: Power and Grounds
Cellular Communication Components
Cellular Telephone Circuit Description
Cell 153: Handset and Microphone
Handling ESD Sensitive Parts Notice
Handling ESD Sensitive Parts Notice
Power Distribution Schematics
Ground Distribution Schematics
Ground Distribution Schematics
Power Distribution Schematics
Ground Distribution Schematics