GM Service Manual Online
For 1990-2009 cars only
Makes
🢒
Cadillac
🢒
1999
🢒
Seville
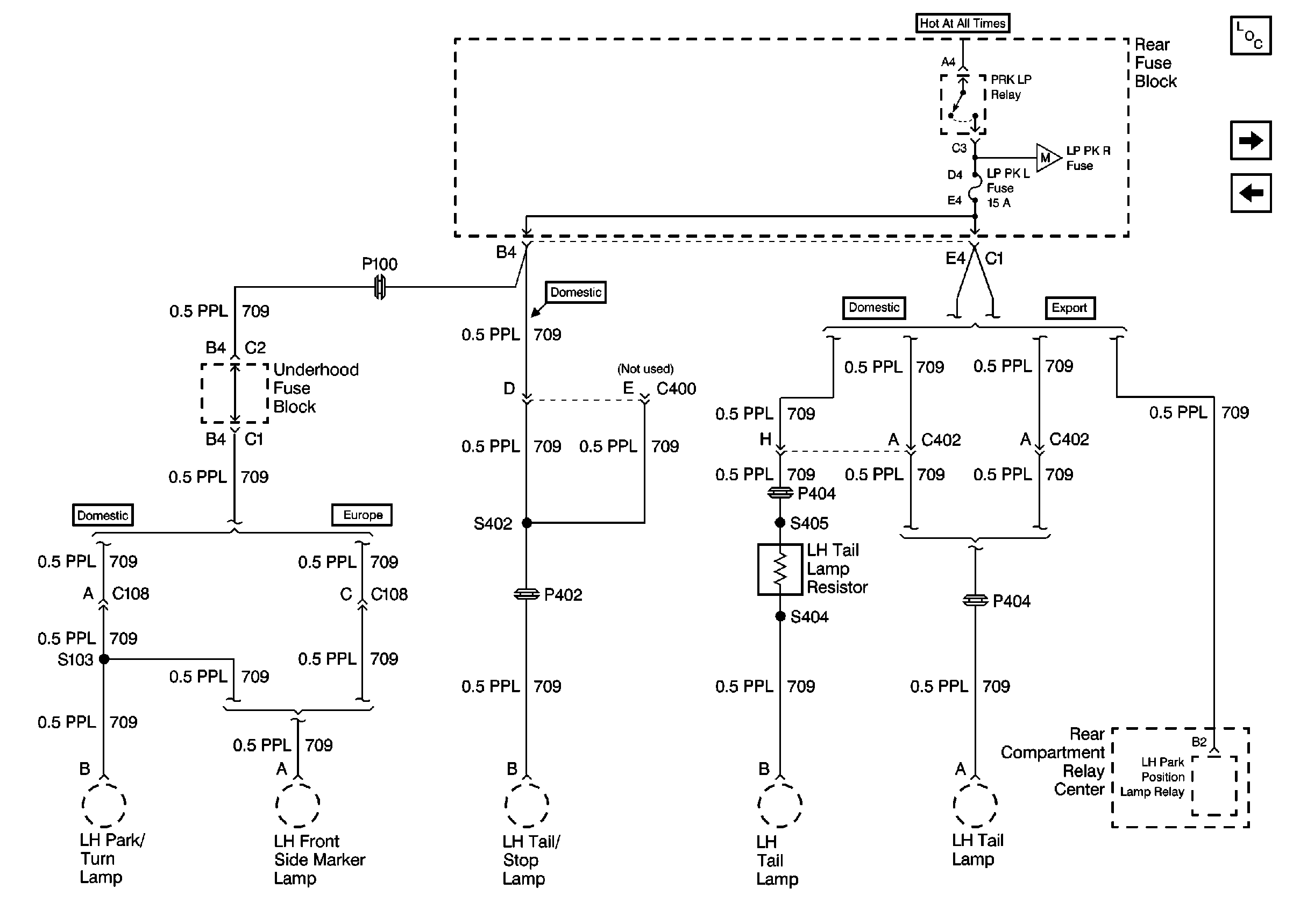
🢒 Cell 10: LP PK L Fuse
Cell 10: LP PK L Fuse
Cell 10: LP PK L Fuse
Power and Grounding Components
Cell 10: LP PK R Fuse
Cell 10: INT LP Fuse and Relay
Cell 10: LP PK R Fuse