GM Service Manual Online
For 1990-2009 cars only
Makes
🢒
Cadillac
🢒
1999
🢒
Seville
🢒 220 Cell 83: Head Up Display
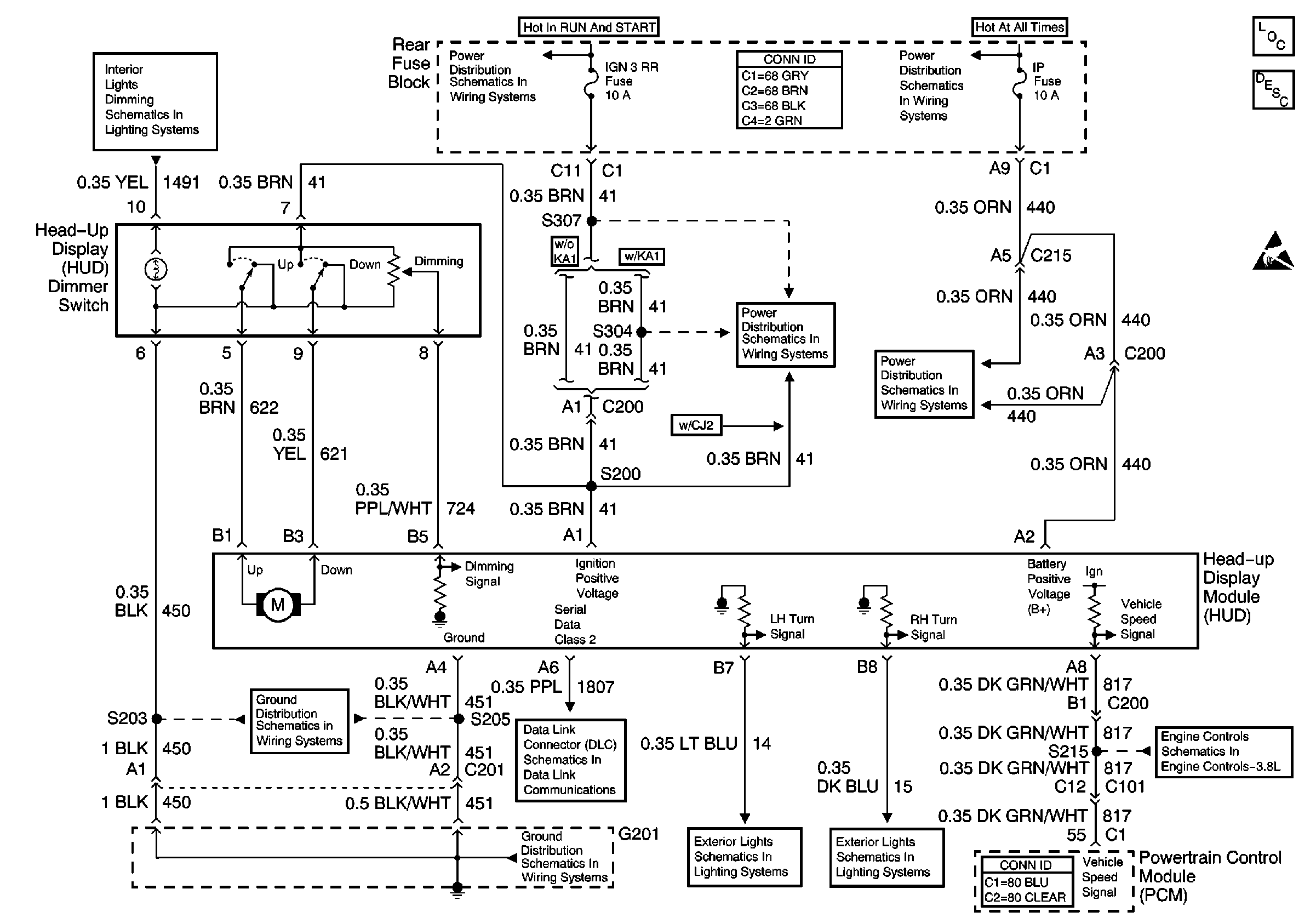
220 Cell 83: Head Up Display
Instrument Cluster and HUD Components
Head Up Display Circuit Description
Cruise Control Module and VSS
ABS and PCM BATT Fuses (Underhood Fuse Block)
ABS and PCM BATT Fuses (Underhood Fuse Block)
IGN3 and ABS Fuses (Rear Fuse Block)
RH Exterior Lamps
IGN3 and ABS Fuses (Rear Fuse Block)
Serial Data Class 2
G201
Instrument Panel and Console Dimming
G201
Handling ESD Sensitive Parts Notice