GM Service Manual Online
For 1990-2009 cars only
Makes
🢒
Cadillac
🢒
1999
🢒
Seville
🢒 Cell 150: Compact Disc (CD) Player (w/UX9)
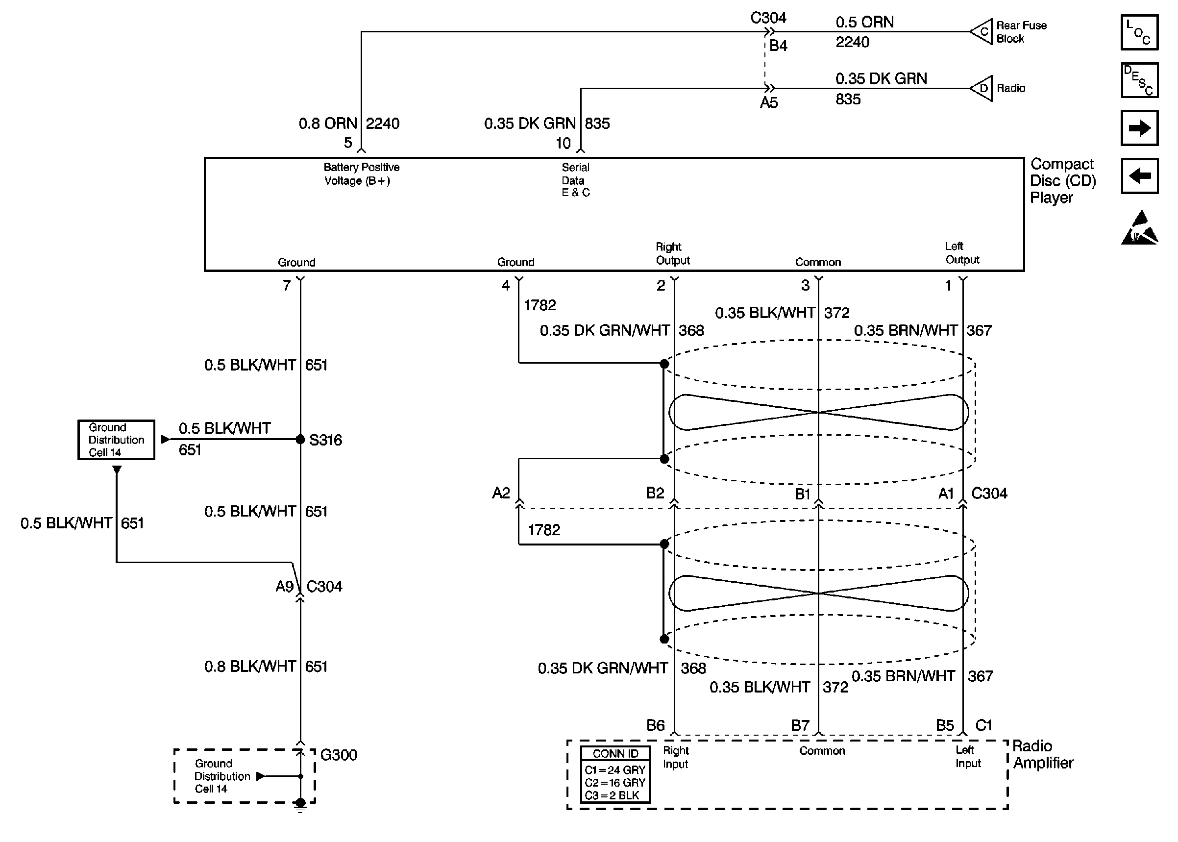
Cell 150: Compact Disc (CD) Player (w/UX9)
Cell 150: Compact Disc (CD) Player (w/UX9)
Entertainment Components
Radio/Audio System Circuit Description
Cell 150: Radio Amplifier (w/UX9)
Cell 150: Power and Ground (w/UX9)
Handling ESD Sensitive Parts Notice
Cell 150: Power and Ground (w/UX9)
Cell 150: Power and Ground (w/UX9)
Cell 14: G300
Cell 14: G300