GM Service Manual Online
For 1990-2009 cars only
Makes
🢒
Cadillac
🢒
1999
🢒
Seville
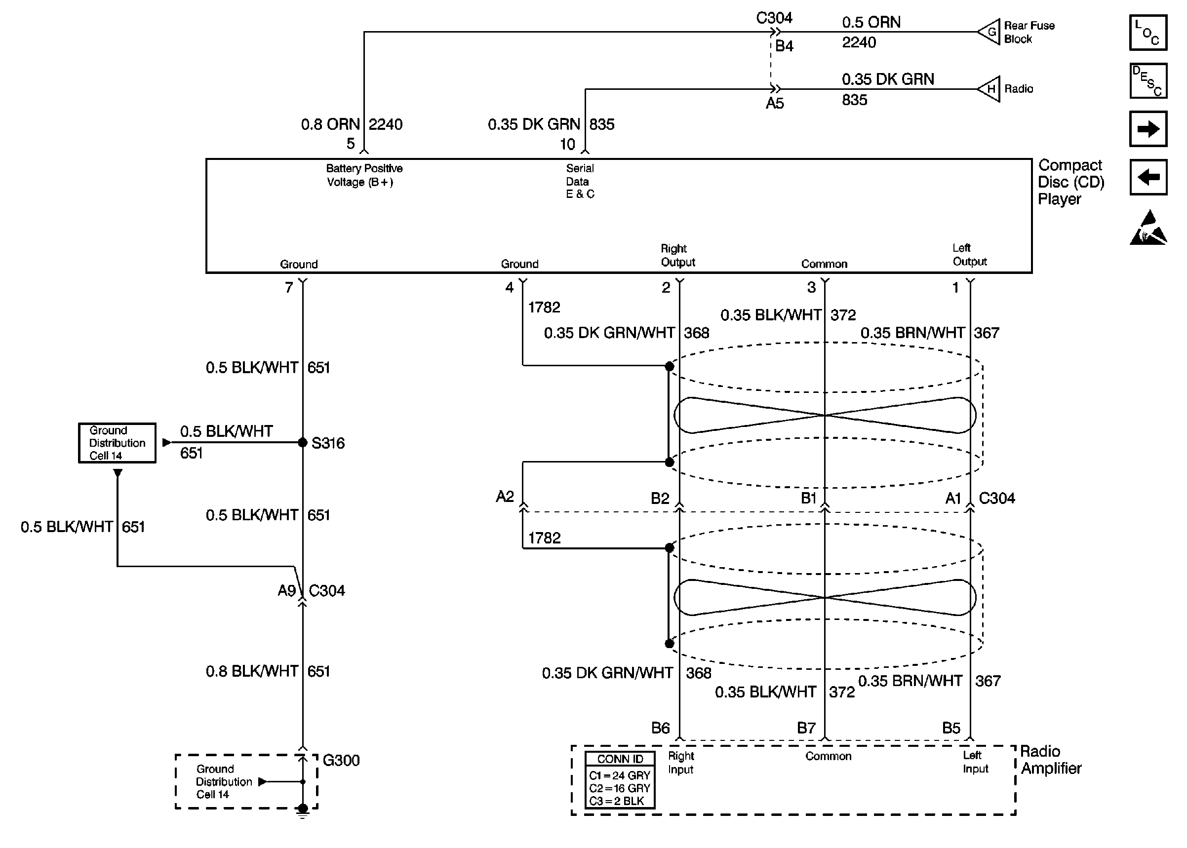
🢒 Cell 150: Compact Disc (CD) Player (w/UY4)
Cell 150: Compact Disc (CD) Player (w/UY4)
Cell 150: Compact Disc (CD) Player (w/UY4)
Entertainment Components
Radio/Audio System Circuit Description
Cell 150: Radio Amplifier (w/UY4)
Cell 150: Power and Ground (w/UY4)
Handling ESD Sensitive Parts Notice
Cell 150: Power and Ground (w/UY4)
Cell 150: Power and Ground (w/UY4)
Cell 14: G300
Cell 14: G300