GM Service Manual Online
For 1990-2009 cars only
Makes
🢒
Cadillac
🢒
1999
🢒
Seville
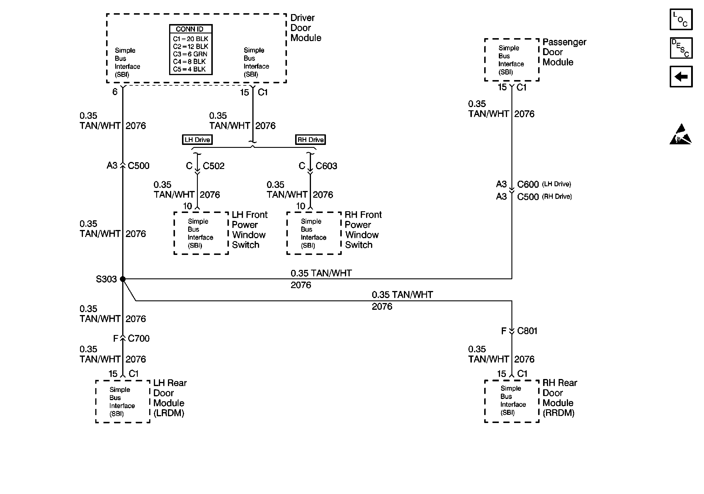
🢒 Cell 50: Simple Bus Interface (SBI)
Cell 50: Simple Bus Interface (SBI)
Cell 50: Simple Bus Interface (SBI)
Data Link Communications Components
Data Link Communications Circuit Description
Cell 50: Class 2 Serial Data Line (RH Drive)
Handling ESD Sensitive Parts Notice