GM Service Manual Online
For 1990-2009 cars only

Removal Procedure

  1. Disconnect the negative battery cable from the battery. Refer to Battery Negative Cable Disconnection and Connection .
  2. Remove the accessory drive belt. Refer to Drive Belt Replacement in Engine Mechanical-4.6 L.
  3. Remove the cooling fans. Refer to Engine Coolant Fan Motor Replacement in Engine Cooling.

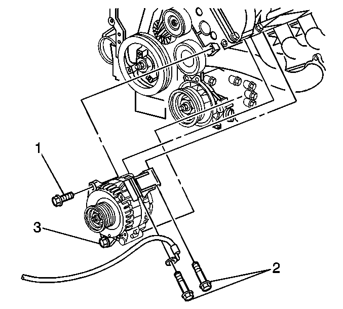
  4. Object Number: 518351  Size: SH
  5. Disconnect the generator cooler outlet hose (1) from the generator (3).
  6. Remove the generator cooler outlet hose retaining bolt (2).

  7. Object Number: 518528  Size: SH
  8. Disconnect the generator cooler inlet hose (2) from the generator (1).

  9. Object Number: 521343  Size: SH
  10. Disconnect the following electrical connections from the generator:
  11. • Regulator
    • Battery output
    • Heated windshield (if equipped)

    Object Number: 521371  Size: SH
  12. Loosen the lower generator bolt (3).
  13. Remove the generator bolts (1, 2) from the generator.
  14. Remove the generator from the vehicle.

Installation Procedure


    Object Number: 521371  Size: SH
  1. Install the generator to the engine.
  2. Notice: Use the correct fastener in the correct location. Replacement fasteners must be the correct part number for that application. Fasteners requiring replacement or fasteners requiring the use of thread locking compound or sealant are identified in the service procedure. Do not use paints, lubricants, or corrosion inhibitors on fasteners or fastener joint surfaces unless specified. These coatings affect fastener torque and joint clamping force and may damage the fastener. Use the correct tightening sequence and specifications when installing fasteners in order to avoid damage to parts and systems.

  3. Install the generator bolts (1,2,3).
  4. Tighten
    Tighten the bolts to 50 N·m (37 lb ft).


    Object Number: 521343  Size: SH
  5. Connect the following electrical connections to the generator:
  6. • Regulator
    • Battery output

    Tighten
    Tighten the battery output cable to 13 N·m (115 lb in)

    • Heated windshield (if equipped)

    Object Number: 518528  Size: SH
  7. Connect the generator cooler inlet hose (2) to the generator (1).

  8. Object Number: 518351  Size: SH
  9. Connect the generator cooler outlet hose (1) to the generator (3).
  10. Install the generator cooler outlet hose retaining bolt (2) to the generator (3).
  11. Tighten
    Tighten the bolt to 9 N·m (80 lb in).

  12. Install the cooling fans. Refer to Engine Coolant Fan Motor Replacement in Engine Cooling.
  13. Install the accessory drive belt. Refer to Drive Belt Replacement in Engine Mechanical-4.6 L.
  14. Connect the negative battery cable from the battery. Refer to Battery Negative Cable Disconnection and Connection .