GM Service Manual Online
For 1990-2009 cars only

Removal Procedure


    Object Number: 104644  Size: SH

    Important: It is necessary to record the remaining engine oil life. If the replacement module is not programed with the remaining engine oil life, the engine oil life will default to 100%. If the replacement module is not programmed with the remaining engine oil life, the engine oil will need to be changed at 5000 km (3,000 mi) from the last engine oil change.

    Important: It is necessary to record the remaining automatic transmission fluid life. If the replacement module is not programed with the remaining automatic transmission fluid life, the automatic transmission fluid life will default to 100%. If the replacement module is not programmed with the remaining automatic transmission fluid life, the automatic transmission fluid will need to be changed at 83000 km (50,000 mi) from the last automatic transmission fluid change.

  1. Using a scan tool, retrieve the percentage of remaining engine oil and the remaining automatic transmission fluid life. Record the remaining engine oil and the remaining automatic transmission fluid life.
  2. Important: The key must be in the LOCK/OFF position for a minimum of 30 seconds prior to disconnecting power to the PCM. This allows the PCM to store the vehicle information into the EEPROM. Failure to wait the 30 seconds may result in a EEPROM reset and the fluid life indexes being reset to 0.

    Caution: Unless directed otherwise, the ignition and start switch must be in the OFF or LOCK position, and all electrical loads must be OFF before servicing any electrical component. Disconnect the negative battery cable to prevent an electrical spark should a tool or equipment come in contact with an exposed electrical terminal. Failure to follow these precautions may result in personal injury and/or damage to the vehicle or its components.

  3. Disconnect the negative battery cable.
  4. Remove the screw retaining the intake air duct/resonator (3) to the PCM housing.

  5. Object Number: 104607  Size: SH
  6. Unsnap the air filter housing clamps on top of the air cleaner housing assembly.
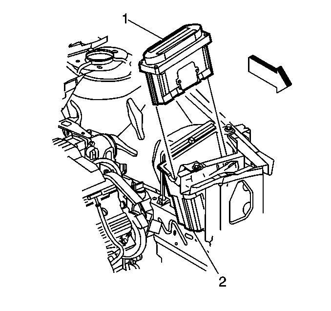
  7. Pull the intake air duct/resonator assembly (2) up enough to remove the air cleaner cover (3) and the PCM.
  8. Slide the air cleaner element assembly toward the fender to separate the air cleaner element assembly from the air inlet assembly.

  9. Object Number: 142193  Size: SH
  10. Loosen the PCM connector attaching bolts.
  11. Disconnect both PCM connectors.
  12. Remove the PCM (1).

Installation Procedure


    Object Number: 142193  Size: SH

    Important: The replacement PCM must be programmed (flashed) using the latest Techline equipment and procedures.

  1. Install the PCM (1).
  2. Notice: Use the correct fastener in the correct location. Replacement fasteners must be the correct part number for that application. Fasteners requiring replacement or fasteners requiring the use of thread locking compound or sealant are identified in the service procedure. Do not use paints, lubricants, or corrosion inhibitors on fasteners or fastener joint surfaces unless specified. These coatings affect fastener torque and joint clamping force and may damage the fastener. Use the correct tightening sequence and specifications when installing fasteners in order to avoid damage to parts and systems.

  3. Install the PCM connectors.
  4. Tighten
    Tighten the PCM connectors screws to 8 N·m (71 lb in).


    Object Number: 104607  Size: SH
  5. Install the air cleaner cover (3) onto the air inlet housing.
  6. Snap the assembly clamps into place.

  7. Object Number: 104644  Size: SH
  8. Align the intake air duct/resonator assembly (3) into place.
  9. Install the screw onto the intake air duct/resonator assembly.
  10. Tighten
    Tighten the intake air duct clamp to 10 N·m (7 lb ft).

  11. Connect the negative battery cable.
  12. Start the engine. If the engine fails to start verify the following:
  13. • The PCM contains the correct program (DTC P0602 not set).
    • The PCM connectors are fully engaged into the PCM.
    • That all fuses are present and not blown
  14. Connect a scan tool and perform the following:
  15. • Clear DTC P0603.
    • Use the scan tool to reset transaxle fluid life to that recorded prior to PCM removal.
    • Use the scan tool to reset engine oil life to that recorded prior to PCM replacement.
    • Perform the Theft Deterrent Learn Procedure. Refer to Programming Theft Deterrent System Components in Theft Deterrent.
    • Perform the CKP System Variation Learn Procedure. Refer to Crankshaft Position System Variation Learn .
    • Perform the TP sensor Learn Procedure. Refer to Throttle Position Sensor Replacement .
    • Perform the IAC Valve Learn Procedure. Refer to Idle Air Control Valve Replacement