GM Service Manual Online
For 1990-2009 cars only
Makes
🢒
Cadillac
🢒
2000
🢒
Seville
🢒
Brakes
🢒
Hydraulic Brakes
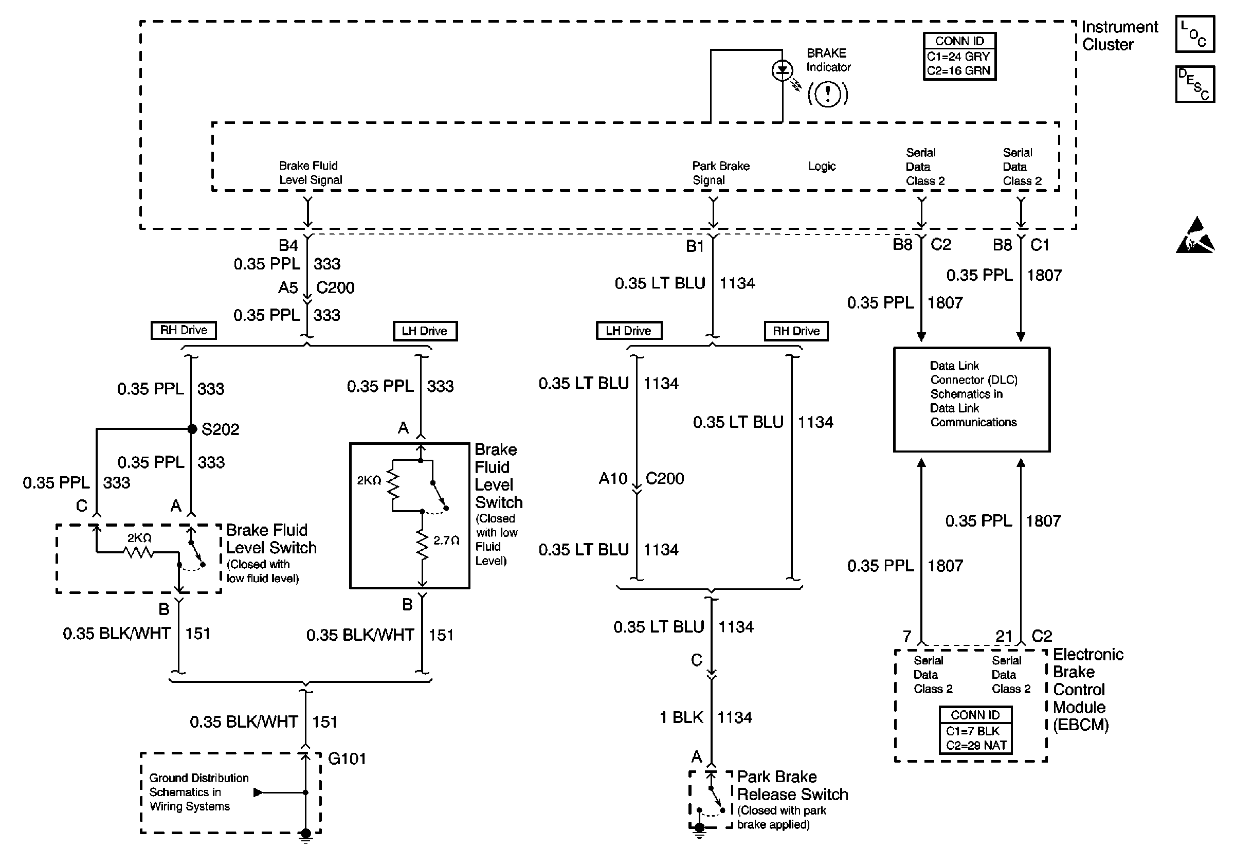
🢒 Brake Warning System Schematics
Brake Warning System
Hydraulic Brakes Components
Brake Warning System Circuit Description
Handling ESD Sensitive Parts Notice
Park Brake Release
Class 2 Serial Data Line (LH Drive)
G101 and G105