GM Service Manual Online
For 1990-2009 cars only

Removal Procedure

Caution: When you are performing service on or near the SIR components or the SIR wiring, you must disable the SIR system. Refer to Disabling the SIR System. Failure to follow the correct procedure could cause air bag deployment, personal injury, or unnecessary SIR system repairs.


    Object Number: 669287  Size: SH
  1. Disable the SIR system. Refer to Disabling the SIR System in SIR.
  2. Remove the steering wheel inflatable restraint module. Refer to Inflatable Restraint Steering Wheel Module Replacement in Restraints.
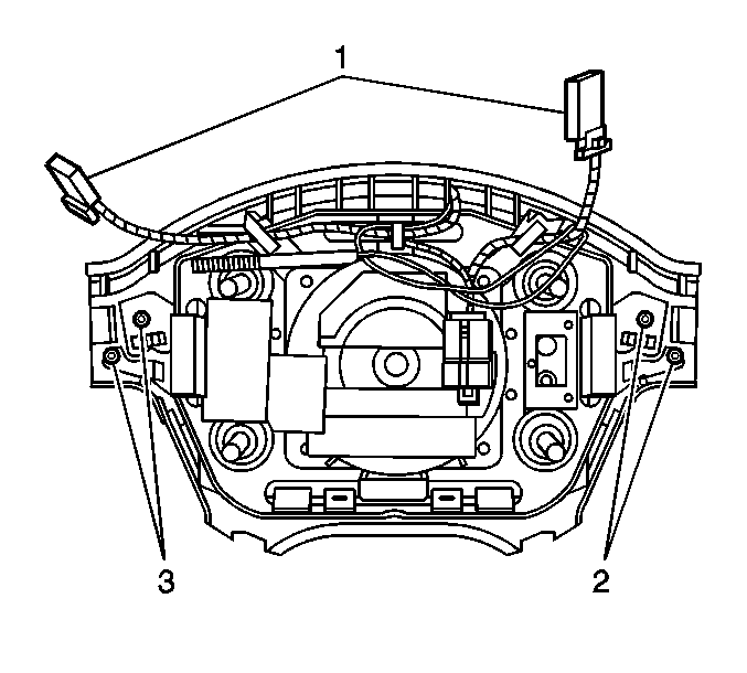
  3. Disconnect the electrical connectors (1) from the control switch.
  4. Remove the fasteners (2) retaining the steering wheel control switch to the steering wheel inflatable restraint module.

  5. Object Number: 669292  Size: SH
  6. Remove the steering wheel control (3) from the steering wheel inflatable restraint module (1).

Installation Procedure


    Object Number: 669292  Size: SH
  1. Install the steering wheel control switch (3) steering wheel inflatable restraint module (1).
  2. Install the steering wheel control switch fasteners (2), fully driven and hand tight.
  3. Connect the electrical connectors (1).
  4. Install the steering wheel inflatable restraint module. Refer to Inflatable Restraint Steering Wheel Module Replacement in SIR.
  5. Enable the SIR. Refer to Enabling the SIR System in SIR.