GM Service Manual Online
For 1990-2009 cars only
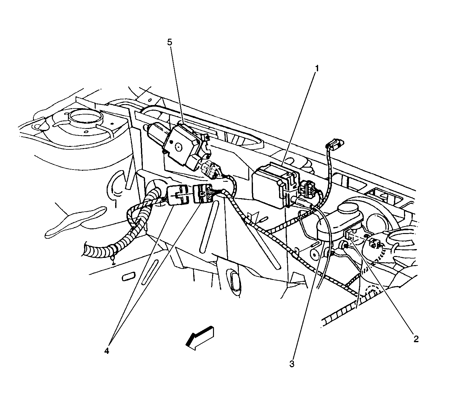
Figure 1:

Engine Compartment, Rear


Object Number: 154367  Size: LF
(1)Cruise Control Module
(2)Brake Fluid Level Switch
(3)Master Cylinder Reservoir
(4)C106
(5)Windshield Wiper Motor
Figure 2:

Engine Compartment, near the Left Strut Tower


Object Number: 309915  Size: LF
(1)P101
(2)Power Brake Booster Pump Relay (Export)
(3)C101
(4)G101
Figure 3:

Engine, on the Left Side


Object Number: 598784  Size: MF
(1)Exhaust Gas Recirculation (EGR) Valve
(2)Engine Coolant Temperature (ECT) Sensor
(3)G108
(4)C101
(5)S117
(6)S120
(7)C100
(8)Throttle Position Sensor
(9)Idle Air Control Sensor
(10)M.A.P. Sensor
Figure 4:

Front of the Vehicle


Object Number: 154359  Size: LF
(1)C108 shown (C109, RH similar)
(2)S103 shown (S104, RH similar)
(3)S100 shown (S102, RH similar)
Figure 5:

RH Front Corner of Vehicle


Object Number: 154362  Size: LF
(1)Hood Ajar Switch (Export)
(2)S114
(3)Right Horn A Note
(4)Right Horn F Note
Figure 6:

Engine Compartment, In the Right Front Corner


Object Number: 154365  Size: LF
(1)P104
(2)P100
(3)Windshield Washer Fluid Level Sensor
(4)Windshield Washer Reservoir
(5)Underhood Fuse Block
Figure 7:

Passenger Compartment, Below the Left Side of the IP


Object Number: 154377  Size: LF
(1)S201
(2)P101
(3)C200
(4)G200
(5)S200
(6)C202
Figure 8:

Passenger Compartment, at the Base of the Steering Column


Object Number: 154378  Size: LF
(1)Steering Column Tilt / Telescoping Module
(2)Steering Wheel Position Sensor (SWPS)
(3)C202
(4)P101
Figure 9:

Passenger Compartment, Left Side Under the IP


Object Number: 599490  Size: LF
(1)S203
(2)S204
(3)S213
(4)S205
(5)S202
(6)S206
(7)S208
(8)S209
(9)S210
(10)S212
(11)Theft Deterrent Module
Figure 10:

Passenger Compartment, Under the Right Corner of the Upper IP Pad


Object Number: 422621  Size: LF
(1)C201
Figure 11:

Passenger Compartment, Right Side Below the IP


Object Number: 154428  Size: LF
(1)Air Inlet Actuator
(2)Blower Control Module
(3)Blower Motor
(4)C203
(5)Dash Integration Module (DIM)
(6)Passenger Air Mix Actuator
(7)S275
(8)S274
(9)S278
Figure 12:

Passenger Compartment, Windshield


Object Number: 154432  Size: LF
(1)S309
(2)Outside Moisture Sensor
(3)Automatic Day/Night Mirror
Figure 13:

Passenger Compartment, Below the Center of the IP


Object Number: 154434  Size: LF
(1)Auxiliary Power Outlet
(2)C304
(3)C312
(4)Rear Blower Resistor Module
(5)Cigar Lighter
(6)Ashtray Lamp
Figure 14:

Passenger Compartment, Below the Center of the IP


Object Number: 154437  Size: LF
(1)Rear Blower Motor
(2)S322
(3)Rear Mode Actuator
Figure 15:

Passenger Compartment, Under the Rear Seat


Object Number: 154441  Size: LF
(1)G307
(2)S305
(3)Negative Battery Cable
(4)S306
(5)Battery Thermistor
(6)S307
(7)Positive Battery Cable
(8)Battery
Figure 16:

Passenger Compartment, Under the Rear Seat


Object Number: 154446  Size: LF
(1)C306
(2)S310
(3)S311
Figure 17:

Passenger Compartment, Under the Rear Seat


Object Number: 154447  Size: LF
(1)C320
Figure 18:

Passenger Compartment, Between Front and Rear Doors


Object Number: 154450  Size: LF
(1)Driver Inflatable Restraint Side Impact Sensing Module (SISM) (Passenger Similar)
(2)S301
(3)S300
Figure 19:

Passenger Compartment, Under the Right Seat


Object Number: 154451  Size: LF
(1)G302
(2)C308
(3)C307
(4)Number 2 Bar
Figure 20:

Passenger Compartment, Under the Right Seat


Object Number: 154453  Size: LF
(1)G306
(2)Inflatable Restraint Sensing And Diagnostic Module (SDM)
(3)C314
Figure 21:

Passenger Compartment, Under the Left Seat Seat


Object Number: 154454  Size: LF
(1)G300
(2)Number 2 Bar
(3)C302
(4)C301
Figure 22:

Passenger Compartment, Under the Driver Seat


Object Number: 154455  Size: LF
(1)C300 ( C307 RH Similar)
(2)S303
(3)S302
(4)Driver Inflatable Restraint Side Impact Inflator Module (Passenger Similar)
Figure 23:

Passenger Compartment, Under the Rear Seat


Object Number: 154456  Size: LF
(1)Rear Fuse Block
(2)S304
(3)G301
(4)Lateral Accelerometer Sensor
Figure 24:

Passenger Compartment, Near the Left Sail Panel


Object Number: 154457  Size: LF
(1)C305
Figure 25:

Rear Compartment


Object Number: 154461  Size: LF
(1)C403
(2)G401
(3)P400
(4)Rear Compartment Lamp
(5)Remote Keyless Entry (RKE) Module
Figure 26:

Rear Compartment, in the Left Rear


Object Number: 154462  Size: LF
(1)C400
(2)P401
(3)G402
(4)P402
Figure 27:

Rear Compartment, Rear Compartment Lid


Object Number: 154463  Size: LF
(1)C421
(2)Center High Mounted Stop Lamp (CHMSL)
(3)Rear Compartment Lid Latch
(4)Rear Compartment Lid Tamper Switch
(5)Rear Compartment Lid Release Solenoid
Figure 28:

Rear Compartment, Rear Compartment Lid


Object Number: 154464  Size: LF
(1)Tail Lamp Assembly
(2)RH Tail Lamp Resistor
(3)LH Tail Lamp Resistor
(4)S410
(5)S420
(6)C402
(7)P404
(8)S413
(9)License Lamp
(10)S407
(11)S406
(12)S405
(13)S404
(14)License Lamp
Figure 29:

Rear Compartment, Left Rear Corner


Object Number: 154465  Size: LF
(1)C400 (C403 RH Similar)
(1)C400 (C403 RH Similar)
(2)LH Tail Lamp (RH Similar)
(3)P402 (P403 Similar)
(4)S402 (S403 RH Similar)
(5)S412 (S409 RH Similar)
Figure 30:

Right Rear of the Vehicle, in the Wheel Opening


Object Number: 154468  Size: LF
(1)C420
(2)P401
Figure 31:

Under the Rear of the Vehicle


Object Number: 259802  Size: LF
(1)C401
Figure 32:

Front Door Components (S601, S500, S600, S501, C603, and C502)


Object Number: 259806  Size: LF
(1)S601 (LH S500)
(2)S600 (LH S501)
(3)C603 (LH C502)
Figure 33:

Door Jamb, Front of Door


Object Number: 154460  Size: LF
(1)P801 (P701, P601 and P501 Similar)
(2)P800 (P700, P600 and P500 Similar)
(3)C800(C700, C600, and C500 Similar)
(4)C801(C701, C601, and C501 Similar)
Figure 34:

Rear Door Components (C802, C702, S800, S701, S801, and S700)


Object Number: 259804  Size: LF
(1)C802 (LH C702)
(2)S800 (LH S701)
(3)S801 (LH S700)