GM Service Manual Online
For 1990-2009 cars only
Makes
🢒
Cadillac
🢒
2000
🢒
Seville
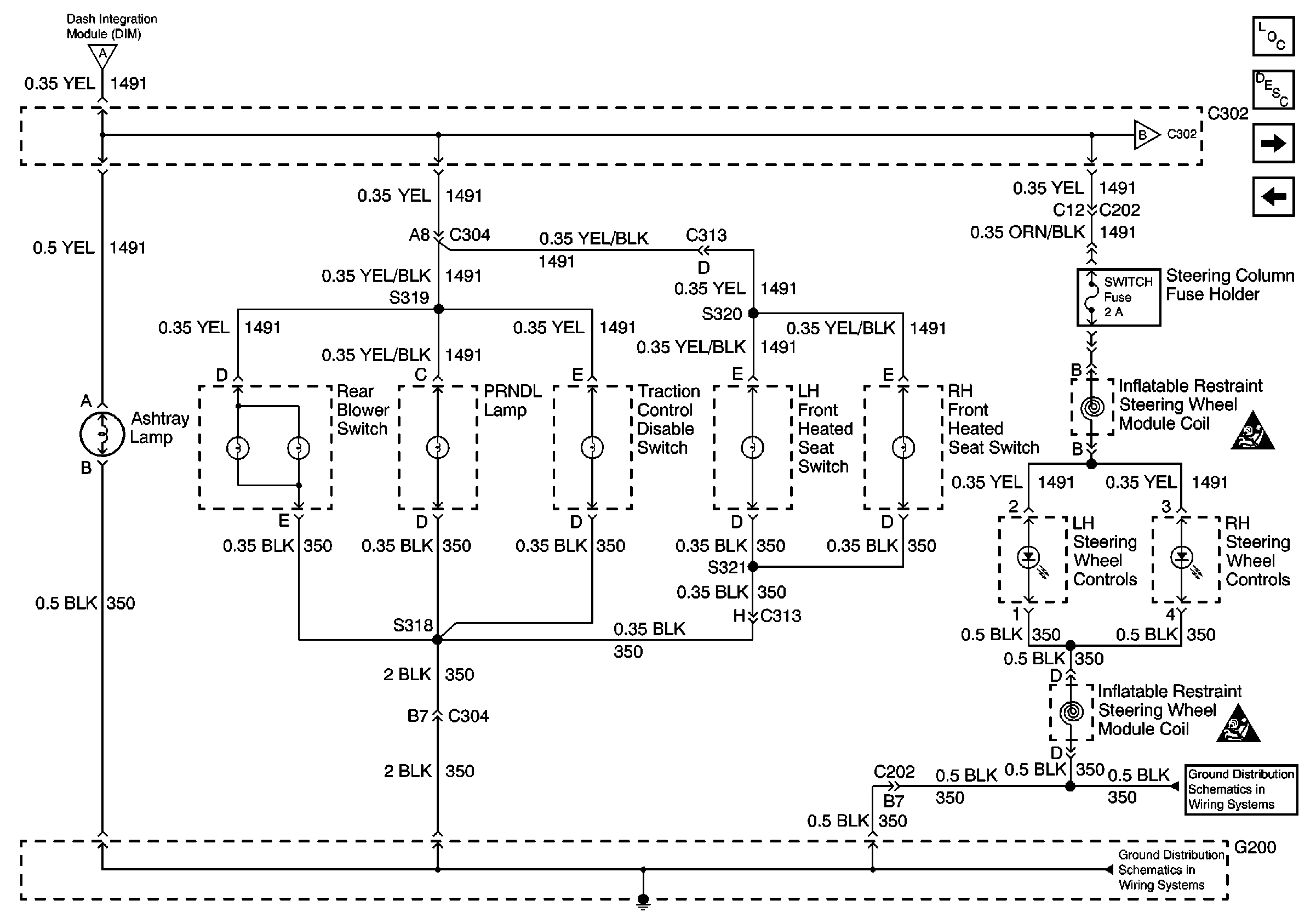
🢒 Ashtray Lamp, Steering Wheel Controls, Console Dimming
Ashtray Lamp, Steering Wheel Controls, Console Dimming
Ashtray Lamp, Steering Wheel Controls, Console Dimming
Lighting Systems Components
Interior Lights Dimming Circuit Description
Instrument Panel Dimming
Dimming Control, IP Dimmer Switch
SIR Handling Caution
Dimming Control, IP Dimmer Switch
Instrument Panel Dimming
SIR Handling Caution
G200 1 of 2
G200 1 of 2