GM Service Manual Online
For 1990-2009 cars only
Makes
🢒
Cadillac
🢒
2000
🢒
Seville
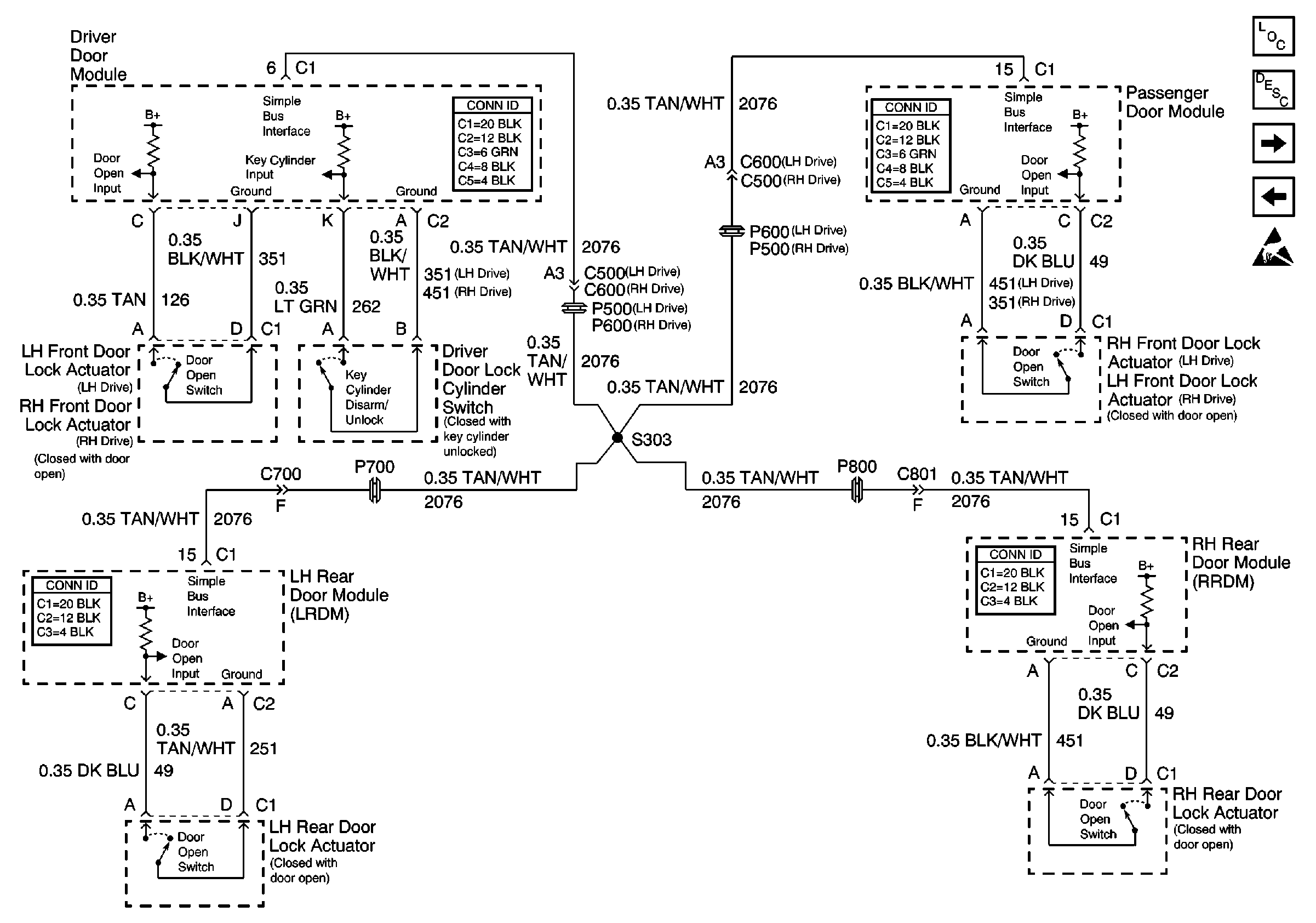
🢒 CTD Door Switch Inputs
CTD Door Switch Inputs
CTD Door Switch Inputs
Theft Deterrent System Components
Vehicle Theft Deterrent (VTD)Circuit Description
CTD Outputs, Tamper Switches, and Class 2
Pass-Key RHD
Handling ESD Sensitive Parts Notice