GM Service Manual Online
For 1990-2009 cars only
Makes
🢒
Cadillac
🢒
2000
🢒
Seville
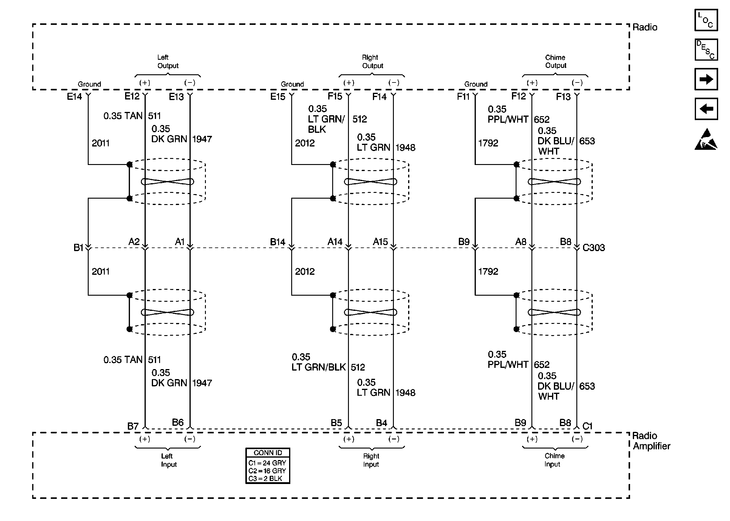
🢒 Radio Amplifier (w/UX8)
Radio Amplifier (w/UX8)
Radio Amplifier (w/UX8)
Front Speakers (w/UX8)
Compact Disc (CD) Player (w/UX8)
Handling ESD Sensitive Parts Notice