GM Service Manual Online
For 1990-2009 cars only
Makes
🢒
Cadillac
🢒
2000
🢒
Seville
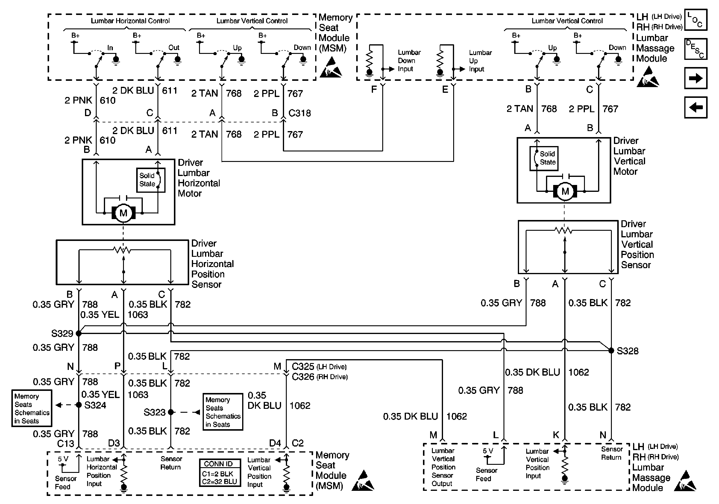
🢒 Lumbar with Memory
Lumbar with Memory
Lumbar with Memory
Power Seat Systems Components
Power Lumbar Circuit Description AL2
Power and Ground
Power and Ground
Front Height, Rear Height, Forward/Back Motors and Position Sensors
Handling ESD Sensitive Parts Notice
Handling ESD Sensitive Parts Notice
Handling ESD Sensitive Parts Notice
Handling ESD Sensitive Parts Notice