GM Service Manual Online
For 1990-2009 cars only
Makes
🢒
Cadillac
🢒
2000
🢒
Seville
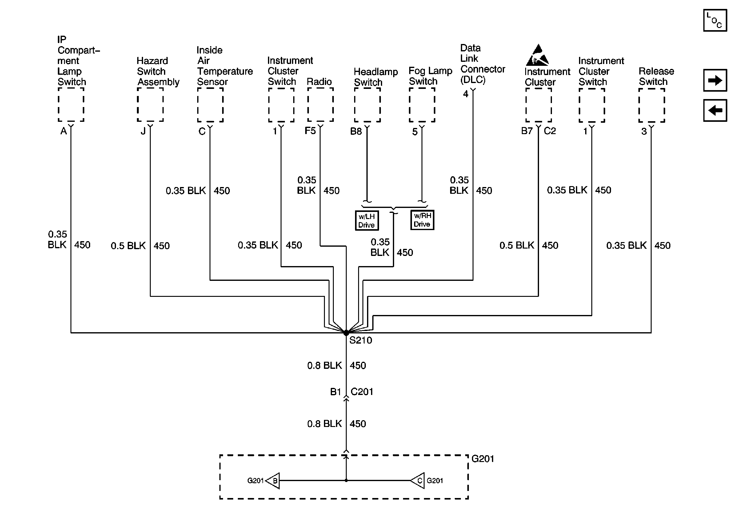
🢒 G201
G201
G201
Power and Grounding Components
G201
Handling ESD Sensitive Parts Notice
G106, G110, and G109
G201
G201 (Partial)